Product Summary
The 4301H is a Solid State LED Lamp.
Parametrics
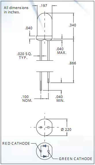
4301H absolute maximum ratings: (1)Output Color: Red/Green; (2)Package Color: Clear; (3)RatedCurrent(mA): 10; (4)Forward Voltage Typ. (V): 2.2; (5)Forward Voltage Max. (V): 2.8; (6)Luminous Intens ity Min. (mcd): 3; (7)Luminous Intens ity Typ. (mcd): 6; (8)Peak Wavelength (nm): 650/568; (9)Peak Forward Current@ 1ms-300 PPS (A): 0.06; (10)Diffusion: Diffused; (11)Viewing Angle 20 1/2 (degrees): 50.
Features
4301H features: (1)Provides red and green in the same two lead packages; (2)Chips are brightness matched-green and red light is uniform.
Diagrams

| Image | Part No | Mfg | Description | ![]() |
Pricing (USD) |
Quantity | ||||||||||||||
|---|---|---|---|---|---|---|---|---|---|---|---|---|---|---|---|---|---|---|---|---|
![]() |
![]() 4301H7/7 |
![]() Chicago Miniature |
![]() Standard LED - Through Hole YELLOW DIFFUSED BI-POLAR |
![]() Data Sheet |
![]()
|
|
||||||||||||||
![]() |
![]() 4301H5/5 |
![]() Chicago Miniature |
![]() Standard LED - Through Hole GREEN DIFFUSED BI-POLAR |
![]() Data Sheet |
![]()
|
|
||||||||||||||
![]() |
![]() 4301H1/5-TA1 |
![]() Chicago Miniature |
![]() Standard LED - Through Hole RED/GRN DIFFUSED |
![]() Data Sheet |
![]()
|
|
||||||||||||||
![]() |
![]() 4301H1/5 |
![]() Chicago Miniature |
![]() Standard LED - Through Hole RED/GRN DIFFUSED |
![]() Data Sheet |
![]()
|
|
||||||||||||||
![]() |
![]() 4301H1/1 |
![]() Chicago Miniature |
![]() Standard LED - Through Hole RED DIFFUSED BI-POLAR |
![]() Data Sheet |
![]()
|
|
||||||||||||||
(China (Mainland))









