Product Summary
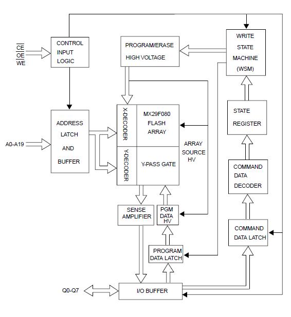
The 29F080-90PTN is a 8-mega bit Flash memory organized as 1024K bytes of 8 bits. The 29F080-90PTN offers the most cost-effective and reliable read/write non-volatile random access memory. The 29F080-90PTN is packaged in 40-pin TSOP or 44-pin SOP. It is designed to be reprogrammed and erased in system or in standard EPROM programmers.
Parametrics
29F080-90PTN absolute maximum ratings: (1)Ambient Operating Temperature:0 to 70℃; (2)Storage Temperature: -65℃ to 125℃; (3)Applied Input Voltage: -0.5V to 7.0V; (4)Applied Output Voltage: -0.5V to 7.0V; (5)VCC to Ground Potential: -0.5V to 7.0V; (6)A9 & OE: -0.5V to 13.5V.
Features
29F080-90PTN features: (1)1,048,576 x 8 byte mode only; (2)Single power supply operation; (3)Fast access time: 70/90/120ns; (4)Low power consumption; (5)Command register architecture; (6)Auto Erase (chip & sector) and Auto Program; (7)Erase suspend/Erase Resume; (8)10,000 minimum erase/program cycles; (9)Latch-up protected to 100mA from -1V to VCC+1V; (10)Low VCC write inhibit is equal to or less than 3.2V.
Diagrams

(China (Mainland))






