Product Summary
The 25TTS08FP is a silicon controlled rectifier. It is specifically designed for medium power switching and phase control applications. The glass passivation technology used has reliable operation up to 125° C junction temperature. Typical applications are in input rectification (soft start) and these products are designed to be used with International Rectifier input diodes, switches and output rectifiers which are available in identical package outlines.
Parametrics
25TTS08FP absolute maximum ratings: (1)Max. Average On-state Current: 16 A; (2)Max. RMS On-state Current: 25 A; (3)Max. Peak One Cycle Non-Repetitive: 300 A; (4)Surge Current: 350 A; (5)Max. I2t for fusing: 450 A2s; (6)Max. I2Öt for fusing: 6300 A2s; (7)VTM Max. On-state Voltage Drop: 1.25 V; (8)On-state slope resistance: 12.0 mW; (9)Threshold Voltage: 1.0 V; (10)IRM/IDM Max.Reverse and Direct: 0.5 mA; (11)Leakage Current: 10 mA; (12)Holding Current: 100 mA; (13)Latching Current: 200 mA; (14)Max. Rate of Rise of off-state Voltage: 500 V/μs; (15)Max. Rate of Rise of turned-on Current: 150 A/μs.
Features
25TTS08FP features: (1)Low rDS(on): 1.3 W Typical; (2)Avalanche Energy. 75 mJ; (3)Eight Power DMOS Transistor Outputs of 250-mA Continuous Current; (4)1.5-A Pulsed Current Per Output; (5)Output Clamp Voltage at 45 V; (6)Four Distinct Function Modes; (7)Low Power Consumption.
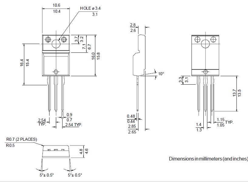
Diagrams

| Image | Part No | Mfg | Description | ![]() |
Pricing (USD) |
Quantity | ||||||||||||||||||||||
|---|---|---|---|---|---|---|---|---|---|---|---|---|---|---|---|---|---|---|---|---|---|---|---|---|---|---|---|---|
![]() |
![]() 25TTS08FP |
![]() Vishay Semiconductors |
![]() SCRs 800 Volt 25 Amp |
![]() Data Sheet |
![]() Negotiable |
|
||||||||||||||||||||||
![]() |
![]() 25TTS08FPPBF |
![]() |
![]() SCR PHASE CTRL 800V 25A TO220FP |
![]() Data Sheet |
![]()
|
|
||||||||||||||||||||||
(China (Mainland))









