Product Summary
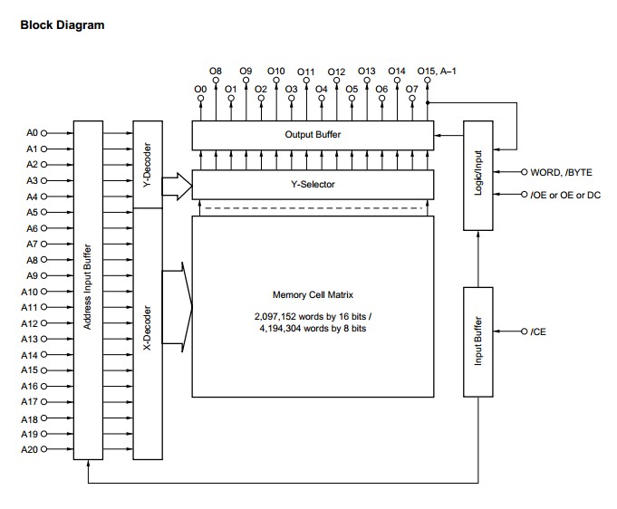
The 23C32340GZ-761 is a 33,554,432 bits mask-programmable ROM. The word organization is selectable (BYTE mode : 4,194,304 words by 8 bits, WORD mode : 2,097,152 words by 16 bits). The active levels of OE (Output Enable Input) can be selected with mask-option. The 23C32340GZ-761 is packed in 48-pin PLASTIC TSOP(I).
Parametrics
23C32340GZ-761 absolute maximum ratings: (1)Supply voltage: VCC: –0.3 to +4.6 V; (2)Input voltage: VI: –0.3 to VCC+0.3 V; (3)Output voltage: VO: –0.3 to VCC+0.3 V; (4)Operating ambient temperature: TA: –10 to +70 °C; (5)Storage temperature: Tstg: –65 to +150 °C.
Features
23C32340GZ-761 features: (1)Pin compatible with NOR Flash Memory; (2)Word organization: 4,194,304 words by 8 bits (BYTE mode), 2,097,152 words by 16 bits (WORD mode); (3)Page access mode: BYTE mode : 8 byte random page access, WORD mode : 4 word random page access; (4)Operating supply voltage : VCC = 2.7 V to 3.6 V.
Diagrams

(China (Mainland))






