Product Summary
The 1DI300M-120 is a power transistor module. Applications of the 1DI300M-120 are general purpose inverter,uninterruptible power supply, servo & spindle drive for NC machine tools, robotics (servo drive for robots).
Parametrics
1DI300M-120 absolute maximum ratings: (1)VcBO: 1200V; (2)VCEO: 1200V; (3)VcEO(SUS): 900V; (4)Vebo: 10V; (5)lc: 300A; (6)Icp: 600A; (7)- Ic: 300 A; (8)Ib: 16A; (9)I BP: 32A; (10)Pc: 2000W; (11)Tj: + 150℃; (12)Tstg: - 40 to 125℃.
Features
1DI300M-120 features: (1)High Arm Short Circuit Capability; (2)High DC Current Gain; (3)Including Freewheeling Diode; (4)I6licff2 Insulated Type.
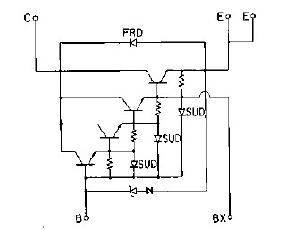
Diagrams

![]() |
![]() 1DI300M-120 |
![]() Other |
![]() |
![]() Data Sheet |
![]() Negotiable |
|
||||
![]() |
![]() 1DI300EA-120 |
![]() Other |
![]() |
![]() Data Sheet |
![]() Negotiable |
|
||||
![]() |
![]() 1DI300DZ-120 |
![]() Other |
![]() |
![]() Data Sheet |
![]() Negotiable |
|
||||
![]() |
![]() 1DI300D-120 |
![]() Other |
![]() |
![]() Data Sheet |
![]() Negotiable |
|
||||
![]() |
![]() 1DI300A-030 |
![]() Other |
![]() |
![]() Data Sheet |
![]() Negotiable |
|
||||
(China (Mainland))








