Product Summary
The ZUW101212 is a DC/DC converter.
Parametrics
ZUW101212 absolute maximum ratings: (1)voltage: 24V; (2)current: 0.45A; (3)line regulation: 60mV; (4)load regulation: 600mV; (5)operating temp.: -20~+71℃; (6)storage temp.: -40~+85℃.
Features
ZUW101212 features: (1)Thin profile; (2)Isolated between input-output; (3)Built-in overcurrent protection circuit; (4)UL recognized, TV approved, CSA certified; (5)Five-year warranty.
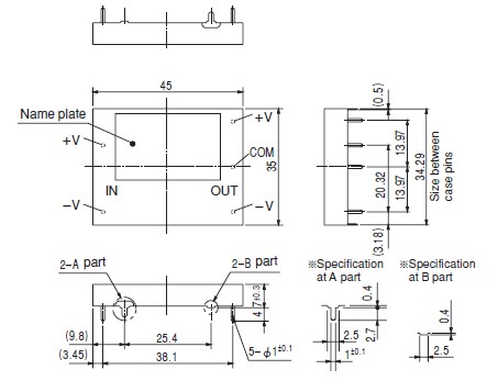
Diagrams

(China (Mainland))






