Product Summary
The W9864G6JH-6 is a high-speed synchronous dynamic random access memory (SDRAM), organized as 512K words × 2 banks × 16 bits. The W9864G6JH-6 delivers a data bandwidth of up to 200M words per second. For different application, W9864G6JH-6 is sorted into the following speed grades: -5/-6/-6I/-6A/-7 and -7I. The -5 parts can run up to 200MHz/CL3 or 143MHz/CL2. The -6/-6I/-6A parts can run up to 166MHz/CL3 (the -6I industrial grade, -6A automotive grade which is guaranteed to support -40℃ ~ 85℃). The -7/-7I parts can run up to 143MHz/CL3 (the -7I grade which is guaranteed to support -40℃ ~ 85℃). Accesses to the SDRAM are burst oriented. Consecutive memory location in one page can be accessed at a burst length of 1, 2, 4, 8 or full page when a bank and row is selected by an ACTIVE command. Column addresses are automatically generated by the SDRAM internal counter in burst operation. Random column read is also possible by providing its address at each clock cycle. The multiple bank nature enables interleaving among internal banks to hide the precharging time. By having a programmable Mode Register, the system can change burst length, latency cycle, interleave or sequential burst to maximize its performance. W9864G6JH-6 is ideal for main memory in high performance applications.
Parametrics
W9864G6JH-6 absolute maximum ratings: (1)Input, Output Voltage VIN, VOUT: -1 ~ VCC + 0.3 V; (2)Power Supply Voltage VCC, VCCQ: -1~ 4.6 V; (3)Operating Temperature for -5/-6/-7 TOPR: 0 ~ 70 ℃; (4)Operating Temperature for -6I/-6A/-7I TOPR: -40 ~ 85 ℃; (5)Storage Temperature TSTG: -55 ~ 150 ℃; (6)Soldering Temperature (10s) TSOLDER: 260 ℃; (7)Power Dissipation PD: 1 W; (8)Short Circuit Output Current IOUT: 50 mA.
Features
W9864G6JH-6 features: (1)3.3V±0.3V power supply for -5/-6/-6I/-6A speed grades 2.7V~3.6V power supply for -7/-7I speed grades; (2)524,288 words x 2 banks x 16 bits organization; (3)Self Refresh current: standard and low power; (4)CAS Latency: 2 and 3; (5)Burst Length: 1, 2, 4, 8 and Full Page; (6)Burst Read, Single Writes Mode; (7)Byte Data Controlled by LDQM, UDQM; (8)Auto-precharge and Controlled Precharge; (9)4K Refresh Cycles/64 mS; (10)Interface: LVTTL; (11)Packaged in 50-pin, 400 mil TSOP II, using Lead free materials with RoHS compliant.
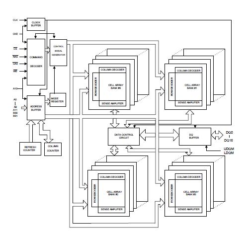
Diagrams

| Image | Part No | Mfg | Description | ![]() |
Pricing (USD) |
Quantity | ||||||||||||||||||||||
|---|---|---|---|---|---|---|---|---|---|---|---|---|---|---|---|---|---|---|---|---|---|---|---|---|---|---|---|---|
![]() |
![]() W9864G6JH-6I |
![]() |
![]() IC SDRAM 64MBIT 54TSOPII |
![]() Data Sheet |
![]()
|
|
||||||||||||||||||||||
| Image | Part No | Mfg | Description | ![]() |
Pricing (USD) |
Quantity | ||||||||||||||||||||||
![]() |
![]() W986408AH |
![]() Other |
![]() |
![]() Data Sheet |
![]() Negotiable |
|
||||||||||||||||||||||
![]() |
![]() W986408BH |
![]() Other |
![]() |
![]() Data Sheet |
![]() Negotiable |
|
||||||||||||||||||||||
![]() |
![]() W986408CH |
![]() Other |
![]() |
![]() Data Sheet |
![]() Negotiable |
|
||||||||||||||||||||||
![]() |
![]() W9864G6IH-6 |
![]() |
![]() IC SDRAM 64MB 166MHZ 54-TSOPII |
![]() Data Sheet |
![]() Negotiable |
|
||||||||||||||||||||||
![]() |
![]() W9864G6JH-6I |
![]() |
![]() IC SDRAM 64MBIT 54TSOPII |
![]() Data Sheet |
![]()
|
|
||||||||||||||||||||||
![]() |
![]() W9864G6IH |
![]() Other |
![]() |
![]() Data Sheet |
![]() Negotiable |
|
||||||||||||||||||||||
(China (Mainland))










