Product Summary
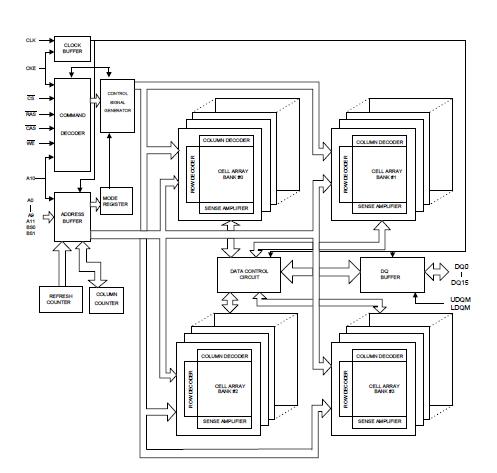
The W9864G6IH-6 is a high-speed synchronous dynamic random access memory (SDRAM), organized as 1M words × 4 banks × 16 bits. The W9864G6IH-6 delivers a data bandwidth of up to 200M words per second. For different application, the device is sorted into the following speed grades: -5, -6, -7/-7S. The -5 parts can run up to 200MHz/CL3. The -6 parts can run up to 166MHz/CL3. The -7/-7S parts can run up to 143MHz/CL3. And the grade of -7S with tRP = 18nS.
Parametrics
W9864G6IH-6 absolute maximum ratings: (1)Input, Column Output Voltage, VIN, VOUT: -0.3 ~ VDD+ 0.3V; (2)Power Supply Voltage, VDD, VDDQ: -0.3 ~ 4.6 V; (3)Operating Temperature, TOPR: 0 ~ 70℃; (4)Storage Temperature, TSTG: -55 ~ 150℃; (5)Soldering Temperature (10s), TSOLDER: 260℃; (6)Power Dissipation, PD: 1 W; (7)Short Circuit Output Current, IOUT: 50 mA.
Features
W9864G6IH-6 features: (1)3.3V±0.3V for -5/-6 speed grades power supply; (2)2. 7V~3.6V for -7/-7S speed grades power supply; (3)1,048,576 words ×4 banks ×16 bits organization; (4)Self Refresh Current: Standard and Low Power; (5)CAS Latency: 2 & 3; (6)Burst Length: 1, 2, 4, 8 and full page; (7)Sequential and Interleave Burst; (8)Byte data controlled by LDQM, UDQM; (9)Auto-precharge and controlled precharge; (10)Burst read, single write operation; (11)4K refresh cycles/64mS; (12)Interface: LVTTL; (13)Packaged in TSOP II 54-pin, 400 mil using Lead free materials with RoHS compliant.
Diagrams

| Image | Part No | Mfg | Description | ![]() |
Pricing (USD) |
Quantity | ||||
|---|---|---|---|---|---|---|---|---|---|---|
![]() |
![]() W9864G6IH-6 |
![]() |
![]() IC SDRAM 64MB 166MHZ 54-TSOPII |
![]() Data Sheet |
![]() Negotiable |
|
||||
| Image | Part No | Mfg | Description | ![]() |
Pricing (USD) |
Quantity | ||||
![]() |
![]() W986408AH |
![]() Other |
![]() |
![]() Data Sheet |
![]() Negotiable |
|
||||
![]() |
![]() W986408BH |
![]() Other |
![]() |
![]() Data Sheet |
![]() Negotiable |
|
||||
![]() |
![]() W986408CH |
![]() Other |
![]() |
![]() Data Sheet |
![]() Negotiable |
|
||||
![]() |
![]() W986416AH |
![]() Other |
![]() |
![]() Data Sheet |
![]() Negotiable |
|
||||
![]() |
![]() W986416BH |
![]() Other |
![]() |
![]() Data Sheet |
![]() Negotiable |
|
||||
![]() |
![]() W986416CH |
![]() Other |
![]() |
![]() Data Sheet |
![]() Negotiable |
|
||||
(China (Mainland))










