Product Summary
The W45NM60 is a MDmesh Power MOSFET. The MDmesh™ is a new revolutionary Power MOSFET technology that associates the multiple drain process with the Company’s PowerMESH™ horizontal layout. The resulting product has an outstanding low on-resistance, impressively high dv/dt and excellent avalanche characteristics. The adoption of the Company’s proprietary striptechnique yields overall dynamic performance that is significantly better than that of similar competitor’s products.
Parametrics
W45NM60 absolute maximum ratings: (1)Gate- source voltage: ±30 V; (2)Drain current (continuous) at TC = 25℃: 45 A; (3)Drain current (continuous) at TC = 100℃: 28 A; (4)Drain current (pulsed): 180 A; (5)Total dissipation at TC = 25℃: 417 W; (6)Derating factor: 3.33 W/℃; (7)Peak diode recovery voltage slope: 15 V/ns; (8)Tstg Storage temperature: –65 to 150 ℃; (9)Max. operating junction temperature: 150 ℃.
Features
W45NM60 features: (1)High dv/dt and avalanche capabilities; (2)100% avalanche tested; (3)Low input capacitance and gate charge; (4)Low gate input resistance; (5)Tight process control and high manufacturing yields.
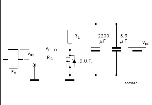
Diagrams

(China (Mainland))






