Product Summary
The TESN100A is a topstek current transducer. Applications of the TESN100A are UPS systems,industrial robots,NC tooling machines,elevator controllers,process control devices,AC and DC servo systems,motor speed controller,electrical vehicle controllers,inverter-controlled welding machines,general and special purpose inverters,power supply for laser processing machines,controller for traction equipment e.g. electric trains,other automatic control systems.
Parametrics
TESN100A absolute maximum ratings: (1)Nominal Input Current Ifn 100ADC; (2)Linear Range Ifs: ±300ADC; (3)Nominal Output Voltage Vhn: 4 V±1% at If=Ifn ( RL=10kΩ); (4)Offset Voltage Vos: Within ±35 mV @ If=0, Ta=25℃; (5)Supply Voltage VCC/VEE: ±15V ±5%; (6)Consumption Current ICC: ±15 mA; (7)Operating Temperature Ta: -15℃ to 80℃; (8)Storage Temperature Ts: -20℃ to 85℃.
Features
TESN100A features: (1)Highly reliable Hall Effect device; (2)Compact and light weight; (3)Fast response time; (4)Excellent linearity of the output voltage over a wide input range; (5)Excellent frequency response (> 50 kHz); (6)Low power consumption (12 mA nominal); (7)Capable of measuring both DC and AC, both pulsed and mixed; (8)High isolation voltage between the measuring circuit and the current-carrying conductor (AC2.5KV); (9)Extended operating temperature range; (10)Flame-Retardant plastic case and silicone encapsulate, using UL classified materials, ensures protection against environmental contaminants and vibration over a wide temperature and humidity range.
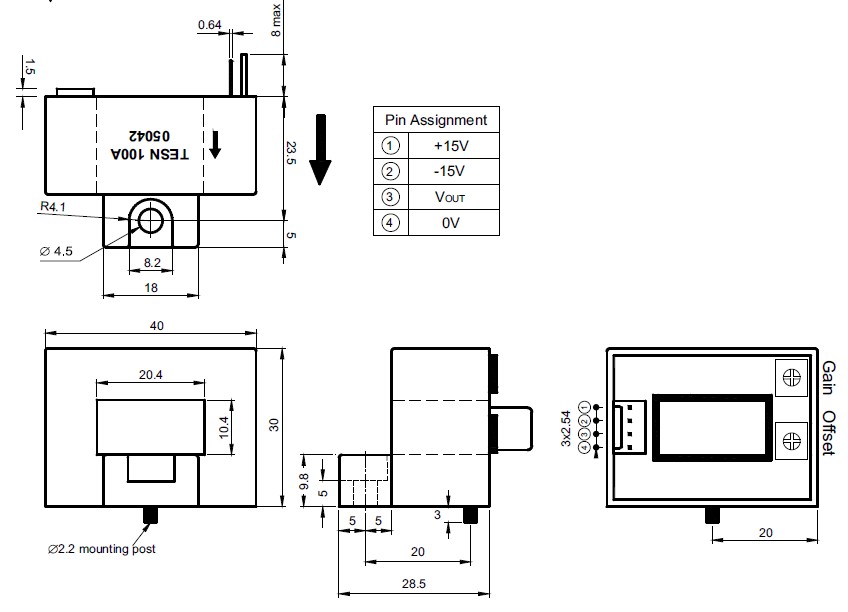
Diagrams

![]() |
![]() TESN600A |
![]() Other |
![]() |
![]() Data Sheet |
![]() Negotiable |
|
||||
![]() |
![]() TESN50A |
![]() Other |
![]() |
![]() Data Sheet |
![]() Negotiable |
|
||||
(China (Mainland))








