Product Summary
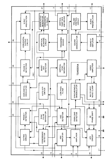
The TDA8305A is a small signal combination IC for colour TC.
Parametrics
TDA8305A absolute maximum ratings: (1)Supply voltage(pin 7) VP=V7-6: 13.2V; (2)Total power dissipation Ptot: 2.3W; (3)Operating ambient temperature range Tamb: -25 to +65℃; (4)Storage temperature range Tstg: -25 to +150℃.
Features
TDA8305A features: (1)Vision IF amplifier with synchronous demodulator; (2)Automatic gain control detector suitable for negative modulation; (3)AGC tuner; (4)Automatic frequency control circuit with sample-and-hold; (5)Video preamplifier; (6)Sound IF amplifier and demodulator; (7)DC volume control or separate supply for starting the horizontal oscillator; (8)Audio preamplifier.
Diagrams

| Image | Part No | Mfg | Description | ![]() |
Pricing (USD) |
Quantity | ||||
|---|---|---|---|---|---|---|---|---|---|---|
![]() |
![]() TDA8305A |
![]() Other |
![]() |
![]() Data Sheet |
![]() Negotiable |
|
||||
| Image | Part No | Mfg | Description | ![]() |
Pricing (USD) |
Quantity | ||||
![]() |
![]() TDA8000 |
![]() Other |
![]() |
![]() Data Sheet |
![]() Negotiable |
|
||||
![]() |
![]() TDA8000T |
![]() Other |
![]() |
![]() Data Sheet |
![]() Negotiable |
|
||||
![]() |
![]() TDA8001 |
![]() Other |
![]() |
![]() Data Sheet |
![]() Negotiable |
|
||||
![]() |
![]() TDA8002 |
![]() Other |
![]() |
![]() Data Sheet |
![]() Negotiable |
|
||||
![]() |
![]() TDA8002C |
![]() Other |
![]() |
![]() Data Sheet |
![]() Negotiable |
|
||||
![]() |
![]() TDA8002C/CD |
![]() NXP Semiconductors |
![]() I/O Controller Interface IC SMRT CRD INTERFCE IC |
![]() Data Sheet |
![]() Negotiable |
|
||||
(China (Mainland))









