Product Summary
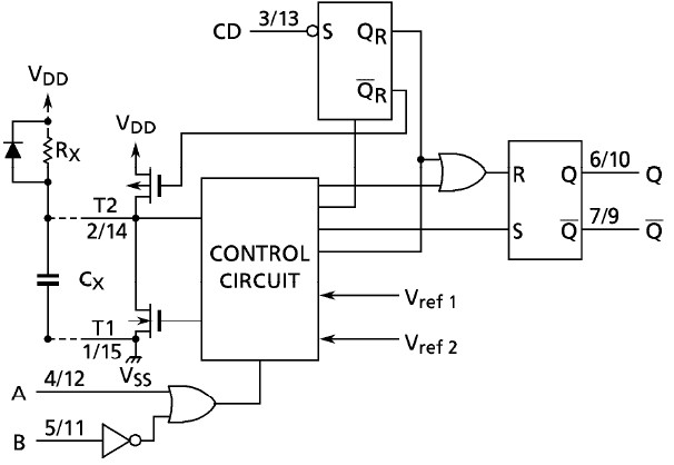
The TC4538BP is a retriggerable / resettable monostable multivibrator and the trigger operation can be made at either the leading or trailing edge by 2 inputs of A and B. Since the output monostable pulse width is decided by time constant of the external reistor (Rx) and the external capacitor (Cx), it becomes possible to set a broad range of output pulse widths.
Parametrics
TC4538BP absolute maximum ratings: (1)DC Supply Voltage Vqd: Vss - 0.5~VSS + 20V; (2)Input Voltage V| N: Vss - 0.5~Vdd + 0.5 V; (3)Output Voltage VoUT: Vss - 0.5~Vdd + 0.5V; (4)DC Input Current l| N: ± 10 mA; (5)Power Dissipation Pd: 300 (DIP)/180 (SOIC) mW; (6)Operating Temperature Range Topr: -40-85 °C; (7)Storage Temperature Range Tstg: - 65- 150 °C.
Features
TC4538BP features: twOUT — 10ms + 5% (at Rx = 100kΩ , Cx= 0.1μF, Vdd= 10V).
Diagrams

| Image | Part No | Mfg | Description | ![]() |
Pricing (USD) |
Quantity | ||||
|---|---|---|---|---|---|---|---|---|---|---|
![]() |
![]() TC4538BP |
![]() Other |
![]() |
![]() Data Sheet |
![]() Negotiable |
|
||||
| Image | Part No | Mfg | Description | ![]() |
Pricing (USD) |
Quantity | ||||
![]() |
![]() TC4511BF |
![]() Other |
![]() |
![]() Data Sheet |
![]() Negotiable |
|
||||
![]() |
![]() TC4511BP |
![]() Other |
![]() |
![]() Data Sheet |
![]() Negotiable |
|
||||
![]() |
![]() TC4512BF |
![]() Other |
![]() |
![]() Data Sheet |
![]() Negotiable |
|
||||
![]() |
![]() TC4512BFN |
![]() Other |
![]() |
![]() Data Sheet |
![]() Negotiable |
|
||||
![]() |
![]() TC4512BP |
![]() Other |
![]() |
![]() Data Sheet |
![]() Negotiable |
|
||||
![]() |
![]() TC4514BP |
![]() Other |
![]() |
![]() Data Sheet |
![]() Negotiable |
|
||||
(China (Mainland))









