Product Summary
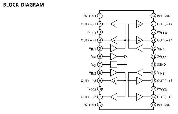
The TA2092NG is a power driver IC developed for CD players. This IC has built-in 4 channel BTL power amplifiers which drives focus-coil, tracking-coil for 3-beam pick-up head, disc motor and feed motor.
Parametrics
TA2092NG absolute maximum ratings: (1)Supply voltage, VCC: 14 V; (2)Operating temperature, Topr: -30 to 85℃; (3)Storage temperature, Tstg: -55 to 150℃.
Features
TA2092NG features: (1)4 channel BTL linear drivers; (2)Fixed voltage gain: GV = 15dB (typ.); (3)High output power: VOM1 = 5 Vp-p (typ.) @VCC = 5 V, RL = 5Ω; VOM2 = 6 Vp-p (typ.) @VCC = 6 V, RL = 5Ω; (4)Thermal shutdown circuit; (5)Input reference voltage short protection; (6)Operating voltage range: VCC (opr) = 4.0 to 10.0 V (Ta = 25℃).
Diagrams

![]() |
![]() TA20021803DH |
![]() |
![]() SCR PHASE CTRL 200V 1800A |
![]() Data Sheet |
![]()
|
|
||||||
![]() |
![]() TA2002F |
![]() Other |
![]() |
![]() Data Sheet |
![]() Negotiable |
|
||||||
![]() |
![]() TA2003 |
![]() Other |
![]() |
![]() Data Sheet |
![]() Negotiable |
|
||||||
![]() |
![]() TA2003P |
![]() Other |
![]() |
![]() Data Sheet |
![]() Negotiable |
|
||||||
![]() |
![]() TA20041803DH |
![]() |
![]() SCR PHASE CTRL 400V 1800A |
![]() Data Sheet |
![]()
|
|
||||||
![]() |
![]() TA20061803DH |
![]() |
![]() SCR PHASE CTRL 600V 1800A |
![]() Data Sheet |
![]()
|
|
||||||
(China (Mainland))








