Product Summary
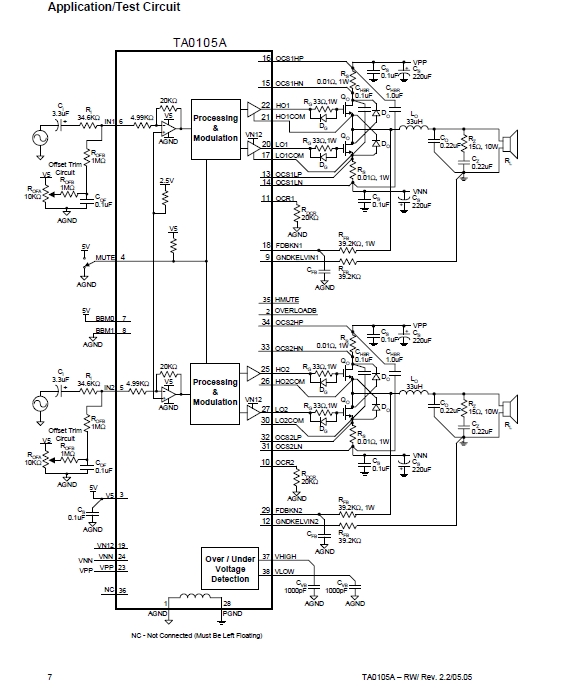
The ta0105a is a two-channel Amplifier Driver IC that uses Tripath proprietary Digital Power Processing (DPPTM) technology. The feedback and voltage range of the ta0105a can be configured externally unlike previous Tripath modules such as TA0104A. Applications of the ta0105a include: Constant Voltage Amplifiers, Distribution Amplifiers and Pro-audio Amplifiers.
Parametrics
ta0105a absolute maximum ratings: (1) Supply Voltage VPP, VNN: ±200V;(2) Positive 5V Controller Voltage: 6V, Voltage at Input Pins (pins 4-8, 10-11) : -0.3 to (V5 +0.3V) ;(3) Voltage for FET drive VN12:VNN +18V; (4) Operating Free-air Temperature Range TA: 0 to 70°C; (5) Junction Temperature TJ: 150°C; (6) Storage Temperature Range TSTORE: -40 to 150°C; (7) ESD Susceptibility – Human Body Model ESDHB: 2000V; (8) ESD Susceptibility – Machine Model ESDMM:200V.
Features
ta0105a features: (1) Class-T architecture; (2) Proprietary Digital Power Processing technology; (3) High Supply Voltage Range; (4) Audiophile Sound Qualityp; (5) High Efficiency;(6) Supports wide range of output power levels;(7) Output over-current protection; (8) 38-pin Quad package.
Diagrams

(China (Mainland))






