Product Summary
The T405-600T is a 4A TRIAC. It is suitable for use on AC inductive loads. The T405-600T is recommended for applications using universal motors, electrovalves.
Parametrics
T405-600T absolute maximum ratings: (1)IT(RMS), RMS on-state current (full sine wave): 4A; (2)ITSM, Non repetitive surge peak on-state current: 30 A; (3)I2t, I2t Value for fusing : 5.1 A2s; (4)dI/dt, Critical rate of rise of on-state current: 50 A/μs; (5)IGM, Peak gate current: 4 A; (6)PG(AV), Average gate power dissipation: 1 W; (7)Tstg, Storage junction temperature range: - 40 to + 150℃; (8)Tj, Operating junction temperature range: - 40 to + 125 ℃.
Features
T405-600T features: (1)IT(RMS): 4A; (2)VDRM/VRRM: 600 to 800 V; (3)IGTT (Q1): 5 to 35 mA.
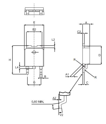
Diagrams

| Image | Part No | Mfg | Description | ![]() |
Pricing (USD) |
Quantity | ||||||||||||
|---|---|---|---|---|---|---|---|---|---|---|---|---|---|---|---|---|---|---|
![]() |
![]() T405-600T |
![]() STMicroelectronics |
![]() Triacs 4.0 Amp 600 Volt |
![]() Data Sheet |
![]()
|
|
||||||||||||
| Image | Part No | Mfg | Description | ![]() |
Pricing (USD) |
Quantity | ||||||||||||
![]() |
![]() T405-400T |
![]() STMicroelectronics |
![]() Triacs 4.0 Amp 400 Volt |
![]() Data Sheet |
![]() Negotiable |
|
||||||||||||
![]() |
![]() T405-600B |
![]() STMicroelectronics |
![]() Triacs 4.0 Amp 600 Volt |
![]() Data Sheet |
![]()
|
|
||||||||||||
![]() |
![]() T405-600H |
![]() STMicroelectronics |
![]() Triacs 4.0 Amp 600 Volt |
![]() Data Sheet |
![]()
|
|
||||||||||||
![]() |
![]() T405-600T |
![]() STMicroelectronics |
![]() Triacs 4.0 Amp 600 Volt |
![]() Data Sheet |
![]()
|
|
||||||||||||
![]() |
![]() T405-800B-TR |
![]() STMicroelectronics |
![]() Triacs 4.0 Amp 800 Volt |
![]() Data Sheet |
![]()
|
|
||||||||||||
![]() |
![]() T405-B |
![]() Other |
![]() |
![]() Data Sheet |
![]() Negotiable |
|
||||||||||||
(China (Mainland))










