Product Summary
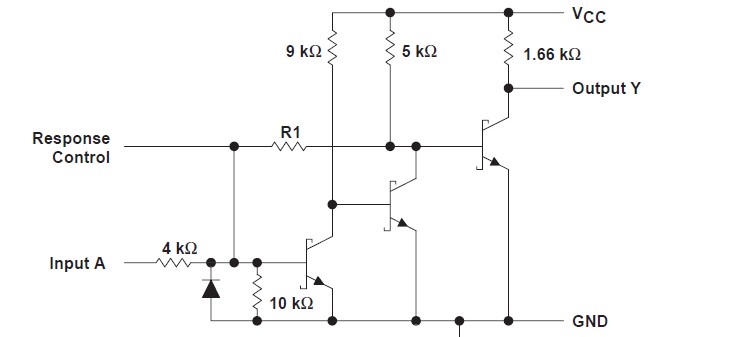
The SN75189A is a monolithic low-power Schottky quadruple line receiver designed to satisfy the requirements of the standard interface between data-terminal equipment and data-communication equipment as defined by TIA/EIA-232-F. A separate response-control (CONT) terminal is provided for the SN75189A. A resistor or a resistor and bias-voltage source can be connected between this terminal and ground to shift the input threshold levels. An external capacitor can be connected between this terminal and ground to provide input noise filtering.
Parametrics
SN75189A absolute maximum ratings: (1)Supply voltage, VCC: 10 V; (2)Input voltage, VI: ±30 V; (3)Output voltage, IO: 20 mA; (4)Continuous total power dissipation: See Dissipation Rating Table; (5)Operating free-air temperature range, TA: 0℃ to 70℃; (6)Storage temperature range, Tstg: –65℃ to 150℃; (7)Case temperature for 60 seconds, FK package: 260℃; (8)Lead temperature 1,6 mm (1/16 inch)from case for 60 seconds: J or W package: 300℃; (9)Lead temperature 1,6 mm (1/16 inch)from case for 10 seconds: D, N, or NS package: 260℃.
Features
SN75189A features: (1)Input Resistance. 3 kW to 7 kW; (2)Input Signal Range. ±30 V; (3)Operate From Single 5-V Supply; (4)Built-In Input Hysteresis (Double Thresholds); (5)Response Control that Provides: Input Threshold Shifting Input Noise Filtering; (6)Meet or Exceed the Requirements of TIA/EIA-232-F and ITU Recommendation V.28; (7)Fully Interchangeable With MotorolaE MC1489 and MC1489A.
Diagrams

| Image | Part No | Mfg | Description | ![]() |
Pricing (USD) |
Quantity | ||||||||||||
|---|---|---|---|---|---|---|---|---|---|---|---|---|---|---|---|---|---|---|
![]() |
![]() SN75189A |
![]() Other |
![]() |
![]() Data Sheet |
![]() Negotiable |
|
||||||||||||
![]() |
![]() SN75189AD |
![]() Texas Instruments |
![]() Buffers & Line Drivers Quad Line Receiver/L |
![]() Data Sheet |
![]()
|
|
||||||||||||
![]() |
![]() SN75189ADG4 |
![]() Texas Instruments |
![]() RS-232 Interface IC Quad Line Driver |
![]() Data Sheet |
![]()
|
|
||||||||||||
![]() |
![]() SN75189ADR |
![]() Texas Instruments |
![]() Buffers & Line Drivers Quad Line |
![]() Data Sheet |
![]()
|
|
||||||||||||
![]() |
![]() SN75189ADE4 |
![]() Texas Instruments |
![]() Bus Receivers Quadruple Line Receiver |
![]() Data Sheet |
![]()
|
|
||||||||||||
![]() |
![]() SN75189ADRE4 |
![]() Texas Instruments |
![]() Bus Receivers Quadruple Line Receiver |
![]() Data Sheet |
![]()
|
|
||||||||||||
![]() |
![]() SN75189ADRG4 |
![]() Texas Instruments |
![]() RS-232 Interface IC Quad Line Driver |
![]() Data Sheet |
![]()
|
|
||||||||||||
![]() |
![]() SN75189AN |
![]() Texas Instruments |
![]() Buffers & Line Drivers Quad Line |
![]() Data Sheet |
![]()
|
|
||||||||||||
(China (Mainland))










