Product Summary
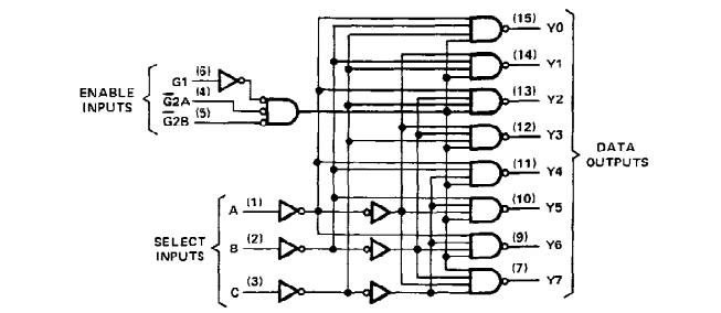
The SN74LS138N is a 3-line to 8-line decoder/demultiplexer. It is designed to be used in high-performance memory decoding or data-routing applications requiring very short propagation delay times. In high-performance memory systems, the SN74LS138N can be used to minimize the effects of system decoding. The device is characterized for operation over the full military temperature range of 0℃ to 70℃.
Parametrics
SN74LS138N absolute maxing ratings: (1)Supply voltage VCC: 7V; (2)Input voltage: 7V; (3)Operating free-air temperature range: 0℃ to 70℃; (4)Storage temperature range: -65℃ to 150℃.
Features
SN74LS138N features: (1)designed specifically for high-speed:memory decoders, data transmission systems; (2)3 enable inputs to simplify cascading and/or data reception; (3)schottky-clamped for high performance.
Diagrams

| Image | Part No | Mfg | Description | ![]() |
Pricing (USD) |
Quantity | ||||||||||||
|---|---|---|---|---|---|---|---|---|---|---|---|---|---|---|---|---|---|---|
![]() |
![]() SN74LS138N |
![]() Texas Instruments |
![]() Encoders, Decoders, Multiplexers & Demultiplexers Line Decoder |
![]() Data Sheet |
![]()
|
|
||||||||||||
![]() |
![]() SN74LS138NE4 |
![]() Texas Instruments |
![]() Encoders, Decoders, Multiplexers & Demultiplexers 3-line to 8-line Decoder/Demltplxr |
![]() Data Sheet |
![]()
|
|
||||||||||||
![]() |
![]() SN74LS138NSR |
![]() Texas Instruments |
![]() Encoders, Decoders, Multiplexers & Demultiplexers 3-line to 8-line Decoder/Demltplxr |
![]() Data Sheet |
![]()
|
|
||||||||||||
![]() |
![]() SN74LS138NSRE4 |
![]() Texas Instruments |
![]() Encoders, Decoders, Multiplexers & Demultiplexers 3-line to 8-line Decoder/Demltplxr |
![]() Data Sheet |
![]()
|
|
||||||||||||
![]() |
![]() SN74LS138NSRG4 |
![]() Texas Instruments |
![]() Encoders, Decoders, Multiplexers & Demultiplexers 3Ln to 8Ln Decodr Demultiplexer |
![]() Data Sheet |
![]()
|
|
||||||||||||
(China (Mainland))









