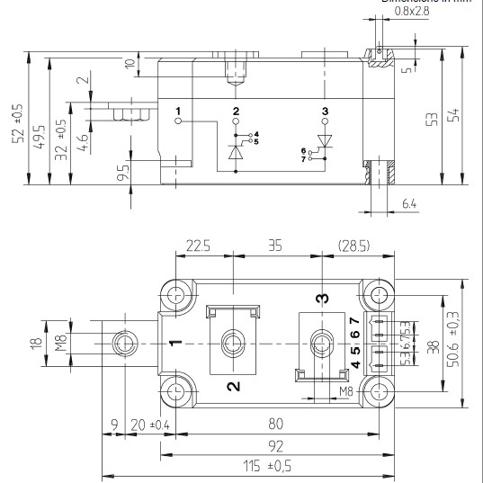
Product Summary
The SKKT253/16E is a diode module. Typical applications of the SKKT253/16E are DC motor control (egfor machine tools), AC motor starters, Temperature control (egfor ovens, chemical processes), Professional light dimming (studios, theaters) .
Parametrics
SKKT253/16E absolute maximum ratings: (1)Itav sin. 180; Tc = 85 (100)℃: 253 (191 )A; (2)Id P16/200F; Ta = 35 ℃; B2 / B6: 387 / 502 A; (3)Irms P16/200F; Ta = 35 ℃; W1 /W3: 465 / 3 400A; (4)Itsm Tvj = 25 ℃; 10 ms: 9000A; Tvj = 130 ℃; 10 ms: 8000A; (5)I2t Tvj = 25 ℃; 8,3 : 10 ms 405000 A2s; Tvj = 130 ℃; 8,3 : 10 ms 320000 A2s; (6)VT Tvj = 25 ℃; lT = 750 A: max. 1,6 V; (7)VT(TO) TVj = 130 ℃: max. 0,85 V; (8)rT TVj = 130 ℃: max. 1,1 mil; (9)Idd; IrD TVj = 130 ℃; VRD = VRRM; VDD = VDRM: max. 50 mA; (10)lgd Tvj = 25 ℃; lG = 1 A; diG/dt = 1 A/|js: 1 MS; (11)V Vd = 0.67Vdrm: 2 MS; (12)(di/d t)cr TVj = 130 ℃: max. 250 A/|js; (13)(dv/dt)cr TVj = 130 ℃: max. 1000 V/|js; (14)tq Tvj = 130 ℃, 50 : 150 Ms; (15)IH Tvj = 25 ℃; typ. / max.: 150/500 mA; (16)IL Tvj = 25 ℃; Rg = 33 fi; typ.: max. 300/2000 mA; (17)Tvi: -40 : + 130 ℃; (18)Tstg: -40 : + 130 ℃.
Features
SKKT253/16E features: (1)Heat transfer through aluminium oxide ceramic isolated metal baseplate; (2)Chip soldered on direct copper bonded Al203 ceramic; (3)Thyristor with amplifying gate; (4)UL recognized, file no. E 63 532.
Diagrams

![]() |
![]() SKKT 213 |
![]() Other |
![]() |
![]() Data Sheet |
![]() Negotiable |
|
||||
![]() |
![]() SKKT 253 |
![]() Other |
![]() |
![]() Data Sheet |
![]() Negotiable |
|
||||
![]() |
![]() SKKT 56 |
![]() Other |
![]() |
![]() Data Sheet |
![]() Negotiable |
|
||||
![]() |
![]() SKKT 57 |
![]() Other |
![]() |
![]() Data Sheet |
![]() Negotiable |
|
||||
![]() |
![]() SKKT 57B |
![]() Other |
![]() |
![]() Data Sheet |
![]() Negotiable |
|
||||
![]() |
![]() SKKT105 |
![]() Other |
![]() |
![]() Data Sheet |
![]() Negotiable |
|
||||
(China (Mainland))








