Product Summary
The SKD30/16A1 is a Power Bridge Rectifier. The applications of the SKD30/16A1 include Three phase rectifiers for power supplies, Input rectifiers for variable frequency drives, Rectifiers for DC motor field supplies and Battery charger rectifiers.
Parametrics
SKD30/16A1 absolute maximum ratings: (1)ID: 6.5A; (2)IDCL: 6.5A; (3)IFSM: 370A; (4)VF: MAX2.2V; (5)rT: MAX12mΩ; (6)IRD: 300μA; (7)Tvj: -40 to +150℃.
Features
SKD30/16A1 features: (1)Fu: 25A; (2)Rth(j-a): 8.5K/W.
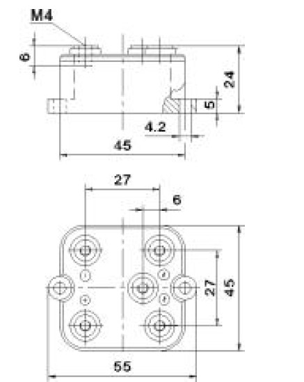
Diagrams

(China (Mainland))






