Product Summary
The QM150DY-H is a mitsubishi transistor module. Application of the QM150DY-H are inverters, servo drives, dc motor controllers, nc equipment, welders.
Parametrics
QM150DY-H absolute maximum ratings: (1)VCEX (SUS)Collector-emitter voltage IC=1A, VEB=2V : 600V; (2)VCEX Collector-emitter voltage VEB=2V : 600V; (3)VCB℃ollector-base voltage Emitter open: 600V; (4)VEBO Emitter-base voltage Collector open: 7V; (5)IC Collector current DC: 150A; (6)–IC Collector reverse current DC (forward diode current): 150A; (7)PC Collector dissipation TC=25℃: 690W; (8)IB Base current DC: 9A; (9)–ICSM Surge collector reverse current (forward diode current)Peak value of one cycle of 60Hz (half wave): 150A; (10)Tj Junction temperature: –40~+150℃; (11)Tstg Storage temperature: –40~+125℃; (12)Viso Isolation voltage: 2500V.
Features
QM150DY-H features: (1)IC Collector current: 150A; (2)VCEX Collector-emitter voltage: 600V; (3)hFE DC current gain: 750; (4)Insulated Type; (5)UL Recognized Yellow Card No. E80276 (N)File No. E80271.
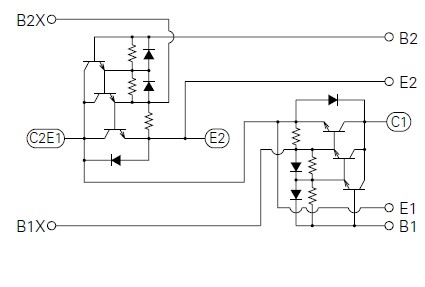
Diagrams

| Image | Part No | Mfg | Description | ![]() |
Pricing (USD) |
Quantity | ||||
|---|---|---|---|---|---|---|---|---|---|---|
![]() |
![]() QM150DY-HB |
![]() Other |
![]() |
![]() Data Sheet |
![]() Negotiable |
|
||||
![]() |
![]() QM150DY-HBK |
![]() Other |
![]() |
![]() Data Sheet |
![]() Negotiable |
|
||||
![]() |
![]() QM150DY-HK |
![]() Other |
![]() |
![]() Data Sheet |
![]() Negotiable |
|
||||
(China (Mainland))









