Product Summary
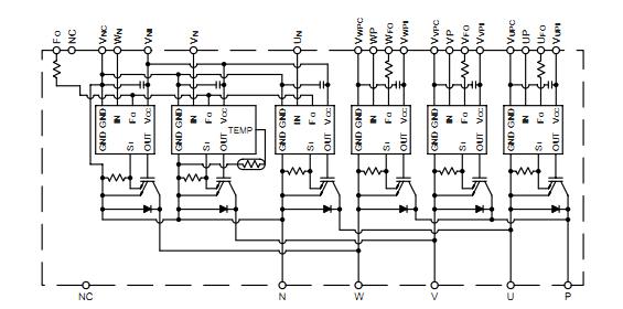
The PM75CSA120 is a Mtsubishi Intelligent Power Module. It is isolated base modules designed for power switching applications operating at frequencies to 20kHz. Built-in control circuits provide optimum gate drive and protection for the IGBT and free-wheel diode power devices. The applications of the PM75CSA120 include Inverters, UPS, Motion/Servo Control and Power Supplies.
Parametrics
PM75CSA120 absolute maximum ratings: (1)Power Device Junction Temperature, Tj: -20 to 150℃; (2)Storage Temperature, Tstg: -40 to 125℃; (3)Case Operating Temperature, TC: -20 to 100℃; (4)Mounting Torque, M5 Mounting Screws: 1.47 to 1.96 Nm; (5)Mounting Torque, M5 Main Terminal Screws: 1.47 to 1.96 Nm; (6)Module Weight (Typical): 550 Grams; (7)Supply Voltage Protected by OC and SC (VD = 13.5 - 16.5V, Inverter Part) VCC(prot.): 800 Volts; (8)Isolation Voltage (Main Terminal to Baseplate, AC 1 min.), Viso: 2500 Vrms.
Features
PM75CSA120 features: (1)Complete Output Power Circuit; (2)Gate Drive Circuit; (3)Protection Logic: Short Circuit; Over Current; Over Temperature; Under Voltage.
Diagrams

| Image | Part No | Mfg | Description | ![]() |
Pricing (USD) |
Quantity | ||||||||||||||
|---|---|---|---|---|---|---|---|---|---|---|---|---|---|---|---|---|---|---|---|---|
![]() |
![]() PM75CSA120 |
![]() |
![]() MOD IPM 3-PHASE IGBT 1200V 75A |
![]() Data Sheet |
![]() Negotiable |
|
||||||||||||||
| Image | Part No | Mfg | Description | ![]() |
Pricing (USD) |
Quantity | ||||||||||||||
![]() |
![]() PM75-100K |
![]() |
![]() INDUCTOR UNSHIELD 10UH 10% SMT |
![]() Data Sheet |
![]() Negotiable |
|
||||||||||||||
![]() |
![]() PM75-100K-RC |
![]() Bourns |
![]() Power Inductors 10uH 10% |
![]() Data Sheet |
![]()
|
|
||||||||||||||
![]() |
![]() PM75-101K |
![]() |
![]() INDUCTOR UNSHIELD 100UH 10% SMT |
![]() Data Sheet |
![]() Negotiable |
|
||||||||||||||
![]() |
![]() PM75-101K-RC |
![]() J.W. Miller |
![]() Power Inductors Power Inductor, Non-Shielded |
![]() Data Sheet |
![]() Negotiable |
|
||||||||||||||
![]() |
![]() PM75-120K |
![]() |
![]() INDUCTOR UNSHIELD 12UH 10% SMT |
![]() Data Sheet |
![]() Negotiable |
|
||||||||||||||
![]() |
![]() PM75-120K-RC |
![]() J.W. Miller |
![]() Power Inductors MAGNETICS - NON-SHIELDED POWER INDUCTOR |
![]() Data Sheet |
![]() Negotiable |
|
||||||||||||||
(China (Mainland))










