Product Summary
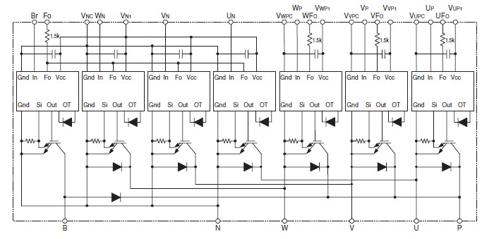
The PM100RRS060 is an intelligent power module. Applications of the are general purpose inverter, servo drives and other motor controls
Parametrics
PM100RRS060 absolute maximum ratings: (1)VCES Collector-Emitter Voltage VD = 15V, VCIN = 15V: 600V; (2)±IC Collector Current TC = 25℃: 100A; (3)±ICP Collector Current (Peak) TC = 25℃: 200A; (4)PC Collector Dissipation TC = 25℃: 390W; (5)Tj Junction Temperature: –20 ~ +150℃.
Features
PM100RRS060 features: (1)Adopting new 5th generation Full-Gate CSTBTTM chip; (2)The over-temperature protection which detects the chip surface temperature of CSTBTTM is adopted.; (3)Error output signal is possible from all each protection upper and lower arm of IPM.; (4)Compatible L-series package.
Diagrams

![]() |
![]() PM1000G1 |
![]() Anderson Power Products |
![]() Heavy Duty Power Connectors CRIMP TOOL 4 INDENT |
![]() Data Sheet |
![]()
|
|
||||||||||||
![]() |
![]() PM1002G1 |
![]() Anderson Power Products |
![]() Heavy Duty Power Connectors INSERTION TOOL TOOL |
![]() Data Sheet |
![]()
|
|
||||||||||||
![]() |
![]() PM1003G1 |
![]() Anderson Power Products |
![]() Heavy Duty Power Connectors EXTRACTION TOOL TOOL |
![]() Data Sheet |
![]()
|
|
||||||||||||
![]() |
![]() PM1008-100K |
![]() J.W. Miller |
![]() RF Inductors 10uH 10% |
![]() Data Sheet |
![]() Negotiable |
|
||||||||||||
![]() |
![]() PM1008-100K-RC |
![]() J.W. Miller |
![]() RF Inductors 10uH 10% |
![]() Data Sheet |
![]()
|
|
||||||||||||
![]() |
![]() PM1008-10NM |
![]() J.W. Miller |
![]() RF Inductors 10nH 20% |
![]() Data Sheet |
![]() Negotiable |
|
||||||||||||
(China (Mainland))











