Product Summary
The NFC10-12D15 is a single and dual output 10 Watt wide input DC/DC converter. The NFC10-12D15 offers 10 Watts of output power from a 2 x 1 x 0.375 inch package without derating to 71°C. A range of 15 models with 2:1 wide input voltages of 9–18, 18–36 and 36–72VDC and single and dual outputs are offered. Features of the NFC10-12D15 series include fixed frequency operation, high MTBF, overvoltage protection and tight load regulation. All of the models have been designed to meet EN60950 (Vin <60VDC) safety requirements. Typical applications are telecommunications, industrial automation and distributed power.
Parametrics
NFC10-12D15 absolute maximum ratings: (1)Input voltage: 9-18 VDC; (2)Output voltage: ±15 VDC; (3)OVP: 36 VDC; (4)Output current: ±333 mA; (5)Input current: 1055 mA; (6)Efficiency: 81%; (7)Regulation line: ±1.0%; (8)Regulation load: ±2.0%.
Features
NFC10-12D15 features: (1)10 Watts output power; (2)Power density 13.3W/in3; (3)2:1 input voltage range; (4)UL, CSA and VDE safety approvals (48V input units); (5)Overvoltage protection; (6)Extended operating temperature range; (7)Fixed switching frequency.
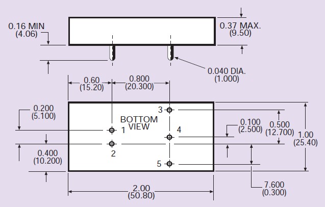
Diagrams

(China (Mainland))






