Product Summary
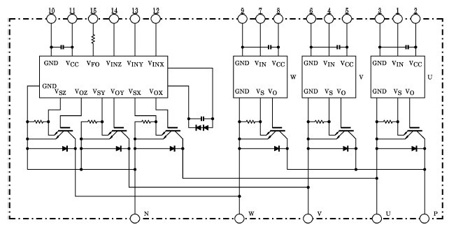
The MIG20J103H is an N channel IGBT.
Parametrics
MIG20J103H absolute maximum ratings: (1)Supply voltage, VCC: 400V; (2)Collector-emitter voltage, VCES: 600V; (3)Collector current (DC), ±IC: 20A; (4)Collector power dissipation, PC: 62W; (5)Junction temperature, Tj: 150℃; (6)Supply voltage, VD: 20V; (7)Intput voltage, VlN: 20V; (8)Foul output voltage, Vfo: 20V; (9)Foul output current, IfO: 7mA; (10)Operating temperature, Tc: -20℃ to +100℃; (11)Storage temperature range, Tstg: -40℃ to +125℃; (12)Isolation voltage, VISO: 2500Vrms; (13)Screw torque: 2N.m.
Features
MIG20J103H features: (1)Intelligent power module that include IGBT drive circuits, overcurrent, undervoltage lockout, and overtemperature protection.; (2)The electrodes are Isolated from Case.; (3)High speed type IGBT: Vce (sat) = 2.7V (MAX.); toff=2.0μs (MAX.); trr=0.2μs(MAX.); (4)Outline: TOSHIBA 2-99E1A; (5)Weight: 80g.
Diagrams

(China (Mainland))






