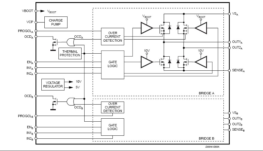
Product Summary
The L6206PD is a DMOS dual full bridge driver. The L6206PD is a DMOS Dual Full Bridge designed for motor control applications, realized in MultiPower-BCD technology, which combines isolated DMOS Power Transistors with CMOS and bipolar circuits on the same chip. Available in PowerDIP24 (20+2+2), PowerSO36 and SO24 (20+2+2) packages, the L6206PD features thermal shutdown and a non-dissipative over current detection on the high side Power MOSFETs plus a diagnostic output that can be easily used to implement the over current protection. The applications of the L6206PD include bipolar stepper motor and dual or quad dc motor.
Parametrics
L6206PD absolute maximum ratings: (1)Supply Voltage : 60 V; (2)OCD pins Voltage Range: -0.3 to +10 V; (3)PROGCL pins Voltage Range: -0.3 to +7 V; (4)Bootstrap Peak Voltage : VS + 10 V; (5)Input and Enable Voltage Range: -0.3 to +7 V; (6)Voltage Range at pins SENSEA and SENSEB: -1 to +4 V; (7)RMS Supply Current (for each VS pin): 2.8 A; (8)Storage and Operating Temperature Range: -40 to 150 ℃.
Features
L6206PD features: (1)Operating supply voltage from 8 TO 52V; (2)5.6A output peak current (2.8A DC); (3)RDS(ON) 0.3W TYP. value @ Tj = 25 ℃; (4)Operating frequency up to 100KHz; (5)Programmable high side over current detection and protection; (6)Diagnostic output; (7)Paralleled operation; (8)Cross conduction protection; (9)Thermal shutdown; (10)Under voltage lockout; (11)Integrated fast freewheeling diodes.
Diagrams

| Image | Part No | Mfg | Description | ![]() |
Pricing (USD) |
Quantity | ||||||||||||
|---|---|---|---|---|---|---|---|---|---|---|---|---|---|---|---|---|---|---|
![]() |
![]() L6206PD |
![]() STMicroelectronics |
![]() Motor / Motion / Ignition Controllers & Drivers Dual Full Bridge |
![]() Data Sheet |
![]()
|
|
||||||||||||
![]() |
![]() L6206PD013TR |
![]() STMicroelectronics |
![]() Motor / Motion / Ignition Controllers & Drivers Dual Full Bridge |
![]() Data Sheet |
![]()
|
|
||||||||||||
(China (Mainland))









