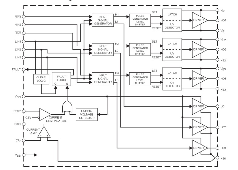
Product Summary
The IR2132S is a 3-phase bridge driver. The IR2132S is a high voltage, high speed power MOSFET and IGBT driver with three independent high and low side referenced output channels. Proprietary HVIC technology enables ruggedized monolithic construction. Logic inputs are compatible with CMOS or LSTTL outputs, down to 2.5V logic. A ground-referenced operational amplifier provides analog feedback of bridge current via an external current sense resistor. A current trip function which terminates all six outputs is also derived from this resistor. An open drain FAULT signal indicates if an over-current or undervoltage shutdown has occurred. The output drivers feature a high pulse current buffer stage designed for minimum driver cross-conduction. Propagation delays are matched to simplify use at high frequencies. The floating channels can be used to drive N-channel power MOSFETs or IGBTs in the high side configuration which operate up to 600 volts.
Parametrics
IR2132S absolute maximum ratings: (1)High Side Floating Supply Voltage: -0.3 to 625V; (2)Low Side and Logic Fixed Supply Voltage: -0.3 to 25V; (3)Logic Ground: VCC-25 to VCC+0.3; (4)Low Side Output Voltage: -0.3 to VCC+0.3; (5)FAULT Output Voltage: VSS-0.3 to VCC+0.3; (6)Operational Amplifier Output Voltage: VSS-0.3 to VCC+0.3; (7)Operational Amplifier Inverting Input Voltage: VSS-0.3 to VCC+0.3; (8)Allowable Offset Supply Voltage Transient : 50 V/ns; (9)Package Power Dissipation @ TA ≤ +25℃ : 1.5W; (10)Junction Temperature : 150℃; (11)Storage Temperature : -55 to 150℃; (12)Lead Temperature (Soldering, 10 seconds) : 300℃.
Features
IR2132S features: (1)Floating channel designed for bootstrap operation Fully operational to +600V Tolerant to negative transient voltage dV/dt immune; (2)Gate drive supply range from 10 to 20V; (3)Undervoltage lockout for all channels; (4)Over-current shutdown turns off all six drivers; (5)Independent half-bridge drivers; (6)Matched propagation delay for all channels; (7)2.5V logic compatible; (8)Outputs out of phase with inputs; (9)Cross-conduction prevention logic; (10)Also available LEAD-FREE.
Diagrams

| Image | Part No | Mfg | Description | ![]() |
Pricing (USD) |
Quantity | ||||||||
|---|---|---|---|---|---|---|---|---|---|---|---|---|---|---|
![]() |
![]() IR2132S |
![]() |
![]() IC DRIVER BRIDGE 3-PHASE 28-SOIC |
![]() Data Sheet |
![]() Negotiable |
|
||||||||
![]() |
![]() IR2132SPbF |
![]() International Rectifier |
![]() Power Driver ICs |
![]() Data Sheet |
![]()
|
|
||||||||
![]() |
![]() IR2132STRPBF |
![]() International Rectifier |
![]() Power Driver ICs |
![]() Data Sheet |
![]()
|
|
||||||||
![]() |
![]() IR2132STR |
![]() |
![]() IC DRIVER BRIDGE 3-PHASE 28-SOIC |
![]() Data Sheet |
![]() Negotiable |
|
||||||||
(China (Mainland))










