Product Summary
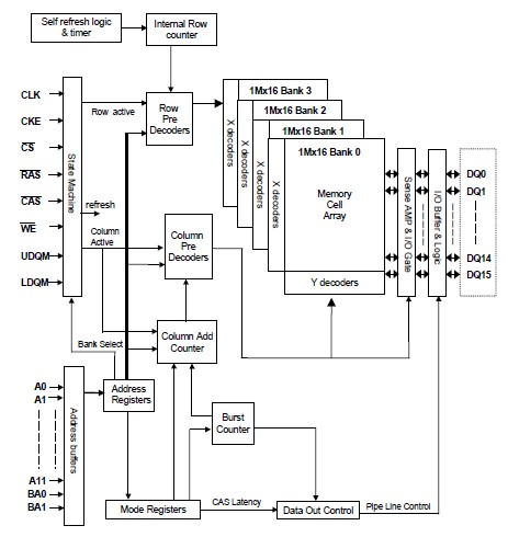
The HY57V641620HGT-7 is a 67,108,864-bit CMOS synchronous DRAM, ideally suited for the Mobile applications r which require low power consumption and extended temperature range. The HY57V641620HGT-7 is organized as 4banks of 1,048,576x16. The HY57V641620HGT-7 is offering fully synchronous operation referenced to a positive edge of the clock. All inputs and outputs are synchronized with the rising edge of the clock input. The data paths are internally pipelined to achieve very high bandwidth. All input and output voltage levels are compatible with LVTTL. Programmable options include the length of pipeline (Read latency of 2 or 3), the number of consecutive read or write cycles initiated by a single control command (Burst length of 1,2,4,8 or Full page), and the burst count sequence(sequential or interleave). A burst of read or write cycles in progress can be terminated by a burst terminate command or can be interrupted and replaced by a new burst read or write command on any cycle.
Parametrics
HY57V641620HGT-7 absolute maximum ratings: (1)Ambient temperature TA: -40 ~ 85 °C; (2)Storage temperature TSTG: -55 ~ 125 °C; (3)Voltage on any pin relative to VSS VIN, VOUT: -1.0 ~ 4.6 V; (4)Voltage on VDD relative to VSS VDD, VDDQ: -1.0 ~ 4.6 V; (5)Short circuit output current IOS: 50 mA; (6)Power dissipation PD: 1 W.
Features
HY57V641620HGT-7 features: (1)Single 3.3±0.3V power supply; (2)All device pins are compatible with LVTTL interface; (3)JEDEC standard 400mil 54pin TSOP-II with 0.8mm of pin pitch; (4)All inputs and outputs referenced to positive edge of system clock; (5)Data mask function by UDQM or LDQM; (6)Internal four banks operation; (7)Auto refresh and self refresh; (8)4096 refresh cycles / 64ms; (9)Programmable burst length and burst type: 1, 2, 4, 8 or Full page for sequential burst; 1, 2, 4 or 8 for interleave burst; (10)Programmable CAS latency; 2, 3 clocks.
Diagrams

(China (Mainland))






