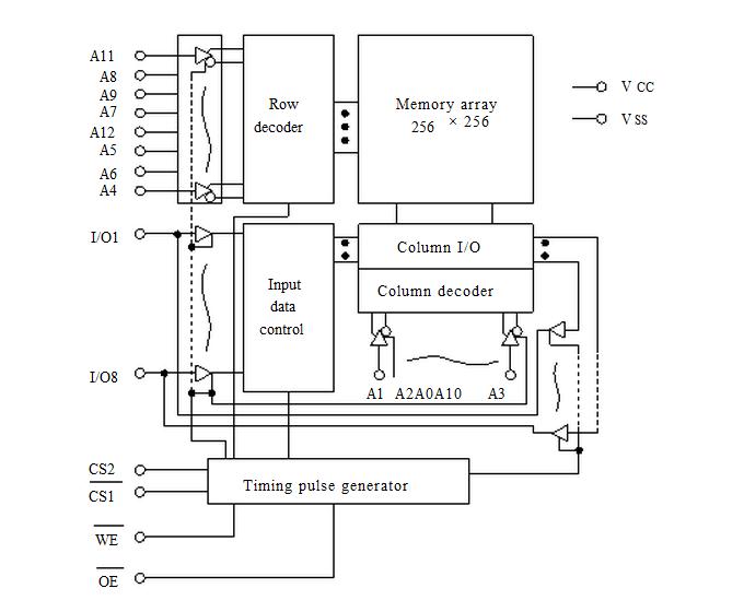
Product Summary
The HM6264ALSP-12 is a high speed CMOS static RAM.
Parametrics
HM6264ALSP-12 absolute maximum ratings: (1)power dissipation: 1W; (2)operating temperature: 0 to 70℃; (3)storage temperature: -55 to 125℃; (4)supply voltage: 5.5V.
Features
HM6264ALSP-12 features: (1)low-power standby; (2)low power operation; (3)fast access time; (4)single +5V supply; (5)completely static memory.
Diagrams

![]() |
![]() HM6207H |
![]() Other |
![]() |
![]() Data Sheet |
![]() Negotiable |
|
||||
![]() |
![]() HM6208H |
![]() Other |
![]() |
![]() Data Sheet |
![]() Negotiable |
|
||||
![]() |
![]() HM621100A |
![]() Other |
![]() |
![]() Data Sheet |
![]() Negotiable |
|
||||
![]() |
![]() HM621400H |
![]() Other |
![]() |
![]() Data Sheet |
![]() Negotiable |
|
||||
![]() |
![]() HM621400HC |
![]() Other |
![]() |
![]() Data Sheet |
![]() Negotiable |
|
||||
![]() |
![]() HM6216255H |
![]() Other |
![]() |
![]() Data Sheet |
![]() Negotiable |
|
||||
(China (Mainland))








