Product Summary
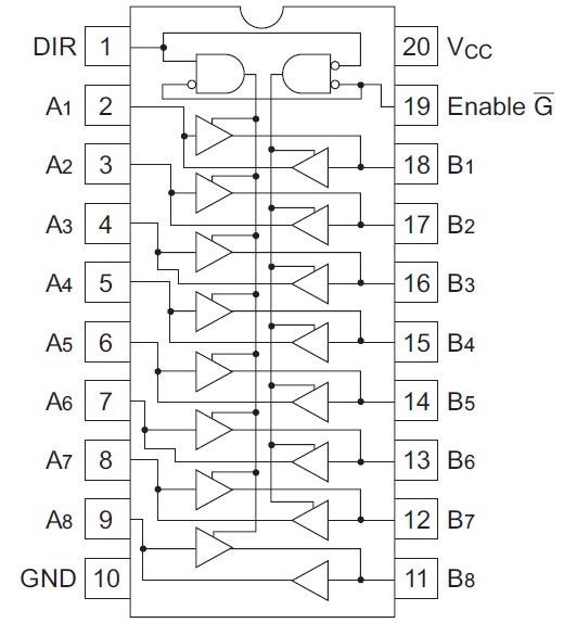
The HD74HC245P is an octal bus transceiver with 3-state outputs. The HD74HC245P has an active low enable input G and a direction control input (DIR). When DIR is high, data flows from the A inputs to the B outputs. When DIR is low, data flows from the B inputs to the A outputs. The HD74HC245P transfers true data from one bus to the other. The HD74HC245P does not have schmitt trigger inputs.
Parametrics
HD74HC245P absolute maximum ratings: (1)Supply voltage range VCC: –0.5 to 7.0 V; (2)Input / Output voltage VIN, VOUT: –0.5 to VCC +0.5 V; (3)Input / Output diode current IIK, IOK: ±20 mA; (4)Output current IO: ±35 mA; (5)VCC, GND current ICC or IGND: ±75 mA; (6)Power dissipation PT: 500 mW; (7)Storage temperature Tstg: –65 to +150 ℃.
Features
HD74HC245P features: (1)LSTTL output logic level compatibility as well as CMOS output compatibility; (2)High speed operation: tpd (A to Y) = 12 ns typ (CL = 50 pF); (3)High output current: Fanout of 15 LSTTL loads; (4)Wide operating voltage: VCC = 4.5 to 5.5 V; (5)Low input current: 1 μA max; (6)Low quiescent supply current: ICC (static) = 4 μA max (Ta = 25℃); (7)Ordering information.
Diagrams

(China (Mainland))






