Product Summary
The GBJ2010 is a 20Amp Glass Passivated Bridge Rectifier.
Parametrics
GBJ2010 absolute maximum ratings: (1)Operating Temperature: -55℃ to +150℃; (2)Storage Temperature: -55℃ to +150℃; (3)Maximum Reccurrent Peak Reverse Voltage: 1000V; (4)Maximum RMS Voltage: 700V; (5)Maximum DC Blocking Voltage: 1000V.
Features
GBJ2010 features: (1)Rating to 1000V PRV; (2)Ideal for printed circuit board; (3)Low forward voltage drop, high current capability; (4)Reliable low cost construction utilizing molded plastic technique results in inexpensive product.
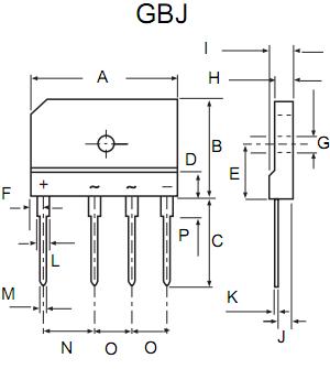
Diagrams

| Image | Part No | Mfg | Description | ![]() |
Pricing (USD) |
Quantity | ||||||||||||
|---|---|---|---|---|---|---|---|---|---|---|---|---|---|---|---|---|---|---|
![]() |
![]() GBJ2010-G |
![]() Comchip Technology |
![]() Bridge Rectifiers DIODE RECT BRIDGE GPP 20A 1000V |
![]() Data Sheet |
![]()
|
|
||||||||||||
![]() |
![]() GBJ2010-F |
![]() Diodes Inc. |
![]() Bridge Rectifiers 1000V 20A |
![]() Data Sheet |
![]()
|
|
||||||||||||
![]() |
![]() GBJ2010 |
![]() Diodes Inc. |
![]() Bridge Rectifiers 1000V 20A |
![]() Data Sheet |
![]() Negotiable |
|
||||||||||||
(China (Mainland))










