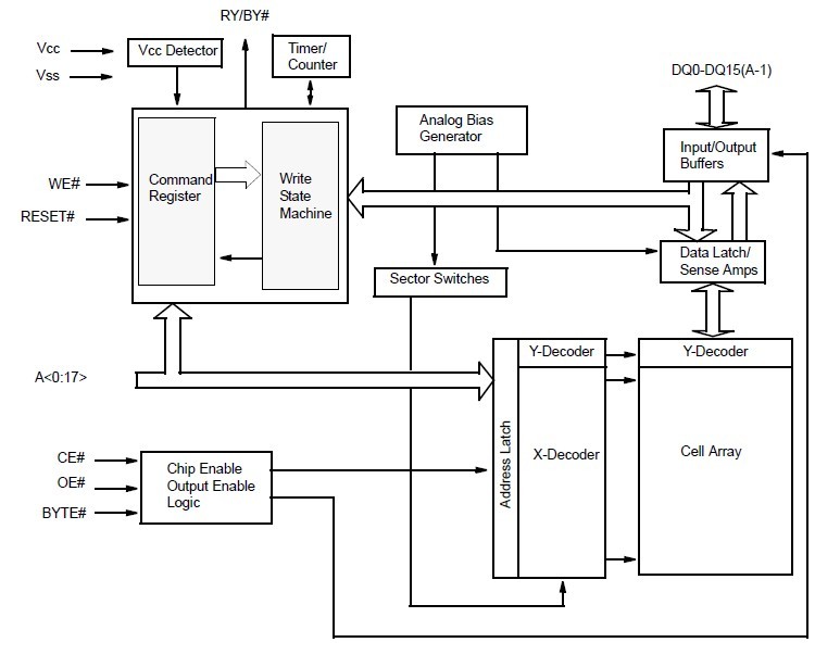
Product Summary
The ES29LV160EB-70TG is a 4 megabit, 3.0 volt-only flash memory device, organized as 512K x 8 bits (Byte mode) or 256K x 16 bits (Word mode) which is configurable by BYTE#. Four boot sectors and seven main sectors are provided : 16Kbytes x 1, 8Kbytes x 2, 32Kbytes x 1 and 64Kbytes x 7. The ES29LV160EB-70TG is manufactured with ESIs proprietary, high performance and highly reliable 0.18um CMOS flash technology. The ES29LV160EB-70TG can be programmed or erased in-system with standard 3.0 Volt Vcc supply ( 2.7V-3.6V) and can also be programmed in standard EPROM programmers. The device offers minimum endurance of 100,000 program/erase cycles and more than 10 years of data retention. The ES29LV160EB-70TG is completely compatible with the JEDEC standard command set of single power supply Flash. Commands are written to the internal command register using standard write timings of microprocessor and data can be read out from the cell array in the device with the same way as used in other EPROM or flash devices.
Parametrics
ES29LV160EB-70TG absolute maximum ratings: (1)Plastic Packages: -65°C to +150°C; (2)Ambient Temperature with Power Applied : -65°C to +125°C; (3)Voltage with Respect to Ground Vcc (Note 1): -0.5V to +4.0V; (4)A9, OE# and RESET# (Note 2): -0.5V to +12.5V; (5)All other pins (Note 1): -0.5V to Vcc + 0.5V; (6)Output Short Circuit Current (Note 3): 200 mA.
Features
ES29LV160EB-70TG features: (1)Single power supply operation: 2.7V -3.6V for read, program and erase operations; (2)Sector Structure; (3)Top or Bottom boot block; (4)Package Options; (5)Low Vcc write inhibit; (6)Manufactured on 0.18um process technology; (7)Compatible with JEDEC standards; (8)Minimum 100,000 program/erase cycles per sector; (9)20 Year data retention at 125°C.
Diagrams

(China (Mainland))






