Product Summary
The DK-430 MC-5350 is a true single-chip uhf transceiver designed for very low power and very low voltage wireless applications. the circuit is mainly intended for the ism (industrial, scientific and medical) and srd (short range device) frequency bands at 315, 433, 868 and 915 mhz, but can easily be programmed for operation at other frequencies in the 300-1000 mhz range. It is deal for: (1)Very low power UHF wireless data transmitters and receivers; (2)315 / 433 / 868 and 915 MHz ISM/SRD band systems; (3)RKE – Two-way Remote Keyless Entry; (4)Home automation; (5)Wireless alarm and security systems; (6)AMR – Automatic Meter Reading; (7)Low power telemetry; (8)Game Controllers and advanced toys.
Parametrics
DK-430 MC-5350 absolute maximum ratings: (1)Supply voltage, VDD: -0.3 to 5.0 V; (2)Voltage on any pin : -0.3 to VDD+0.3, V; (3)Input RF level: 10 dBm; (4)Storage temperature range (TSSOP): -50 to 150 °C; (5)Shelf life (UltraCSP): 1 year; (6)Reflow soldering temperature (TSSOP): 260 °C; (7)Peak reflow soldering temperature (UltraCSP ): 255 °C.
Features
DK-430 MC-5350 features: (1)True single chip UHF RF transceiver; (2)Very low current consumption; (3)Frequency range 300 – 1000 MHz; (4)Integrated bit synchroniser; (5)High sensitivity (typical -110 dBm at 2.4 kBaud); (6)Programmable output power –20 to 10 dBm; (7)Small size (TSSOP-28 or UltraCSP package); (8)Low supply voltage (2.1 V to 3.6 V); (9)Very few external components required; (10)No external RF switch / IF filter required.
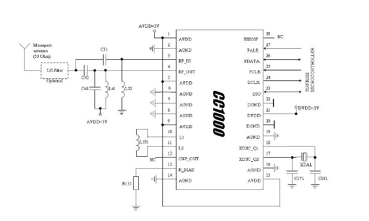
Diagrams

(China (Mainland))






