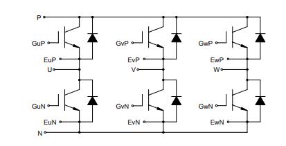
Product Summary
The CM30TF-12H is an IGBT Module designed for use in switching applications. Each module consists of six IGBTs in a three phase bridge configuration, with each transistor having a reverse-connected super-fast recovery free-wheel diode. All components and interconnects are isolated from the heat sinking baseplate, offering simplified system assembly and thermal management. Applications of the CM30TF-12H include AC Motor Control, Motion/Servo Control, UPS and Welding Power Supplies.
Parametrics
CM30TF-12H absolute maximum ratings: (1)Junction Temperature: -40 to 150℃; (2)Storage Temperature: -40 to 125℃; (3)Collector-Emitter Voltage (G-E SHORT): 600 Volts; (4)Gate-Emitter Voltage (C-E SHORT): ±20 Volts; (5)Collector Current (TC = 25℃): 30 Amperes; (6)Peak Collector Current: 60* Amperes; (7)Emitter Current** (TC = 25℃): 30 Amperes; (8)Peak Emitter Current**: 60* Amperes; (9)Maximum Collector Dissipation: 150 Watts; (10)Weight: 260 Grams; (11)Isolation Voltage (Main Terminal to Baseplate, AC 1 min.): 2500 Vrms.
Features
CM30TF-12H features: (1)Low Drive Power; (2)Low VCE(sat); (3)Discrete Super-Fast Recovery Free-Wheel Diode; (4)High Frequency Operation; (5)Isolated Baseplate for Easy Heat Sinking.
Diagrams

| Image | Part No | Mfg | Description | ![]() |
Pricing (USD) |
Quantity | ||||||
|---|---|---|---|---|---|---|---|---|---|---|---|---|
![]() |
![]() CM30TF-12H |
![]() |
![]() IGBT MOD 6PAC 600V 30A H SER |
![]() Data Sheet |
![]() Negotiable |
|
||||||
| Image | Part No | Mfg | Description | ![]() |
Pricing (USD) |
Quantity | ||||||
![]() |
![]() CM3002 |
![]() Other |
![]() |
![]() Data Sheet |
![]() Negotiable |
|
||||||
![]() |
![]() CM300DU-12F |
![]() |
![]() IGBT MOD DUAL 600V 300A F SER |
![]() Data Sheet |
![]()
|
|
||||||
![]() |
![]() CM300DU-12H |
![]() |
![]() IGBT MOD DUAL 600V 300A U SER |
![]() Data Sheet |
![]()
|
|
||||||
![]() |
![]() CM300DU-12NFH |
![]() |
![]() IGBT MOD DUAL 600V 300A NFH SER |
![]() Data Sheet |
![]()
|
|
||||||
![]() |
![]() CM300DU-24F |
![]() |
![]() IGBT MOD DUAL 1200V 300A F SER |
![]() Data Sheet |
![]()
|
|
||||||
![]() |
![]() CM300DU-24H |
![]() |
![]() IGBT MOD DUAL 1200V 300A U SER |
![]() Data Sheet |
![]()
|
|
||||||
(China (Mainland))









