Product Summary
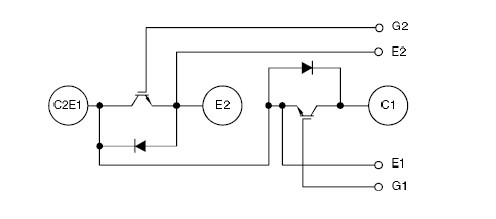
The CM150DY-24A is a Powerex IGBTMOD Module. The CM150DY-24A is designed for use in switching applications. The CM150DY-24A consists of two IGBT Transistors in a half-bridge configuration with each transistor having a reverse- connected super-fast recovery free-wheel diode. All components and interconnects are isolated from the heat sinking baseplate, offering simplified system assem­bly and thermal management.
Parametrics
CM150DY-24A absolute maximum ratings: (1)Junction Temperature Ti: -40 to 150 ℃; (2)Storage Temperature Tstg: -40 to 125 ℃; (3)Collector-Emitter Voltage (G-E Short) VCES: 1200 Volts; (4)Gate-Emitter Voltage (C-E Short) VGES: ±20 Volts; (5)Collector Current (DC, Tc = 83℃) ic: 150 Amperes; (6)Peak Collector Current CM: 300 Amperes; (7)Emitter Current (Tc = 25℃) IE: 150 Amperes; (8)Peak Emitter Current EM: 300 Amperes; (9)Maximum Collector Dissipation (Tc = 25℃, Tj < 150℃) PC: 960 Watts; (10)Mounting Torque, M5 Main Terminal: 30 in-lb; (11)Mounting Torque, M6 Mounting: 40 in-lb; (12)Weight: 310 Grams; (13)Isolation Voltage (Main Terminal to Baseplate, AC 1 min.) Viso: 2500 Volts.
Features
CM150DY-24A features: (1)Low Drive Power; (2)Low VQE(sat); (3)Discrete Super-Fast Recovery Free-Wheel Diode; (4)Isolated Baseplate for Easy Heat Sinking.
Diagrams

| Image | Part No | Mfg | Description | ![]() |
Pricing (USD) |
Quantity | ||||
|---|---|---|---|---|---|---|---|---|---|---|
![]() |
![]() CM150DY-24A |
![]() |
![]() IGBT MOD DUAL 1200V 150A A SER |
![]() Data Sheet |
![]() Negotiable |
|
||||
| Image | Part No | Mfg | Description | ![]() |
Pricing (USD) |
Quantity | ||||
![]() |
![]() CM15 |
![]() Other |
![]() |
![]() Data Sheet |
![]() Negotiable |
|
||||
![]() |
![]() CM1500 |
![]() Other |
![]() |
![]() Data Sheet |
![]() Negotiable |
|
||||
![]() |
![]() CM15001W |
![]() Other |
![]() |
![]() Data Sheet |
![]() Negotiable |
|
||||
![]() |
![]() CM15002W |
![]() Other |
![]() |
![]() Data Sheet |
![]() Negotiable |
|
||||
![]() |
![]() CM15003W |
![]() Other |
![]() |
![]() Data Sheet |
![]() Negotiable |
|
||||
![]() |
![]() CM15004W |
![]() Other |
![]() |
![]() Data Sheet |
![]() Negotiable |
|
||||
(China (Mainland))









