Product Summary
The BYS24-45 is a schottky rectifier diode.
Parametrics
BYS24-45 absolute maximum ratings: (1)VRRM: 45V; (2)Ifavm Ta = 25℃: 2x5,0A; (3)Ifsm 10 ms: 120A; (4)Vf i f = Ifavm Tvi = 25℃: 0.55V; (5)RthJC: 3/3.5 ℃/W; (6)Tvj max: 125 ℃.
Features
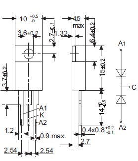
BYS24-45 features: (1)outline: SK4.
Diagrams

(China (Mainland))






