Product Summary
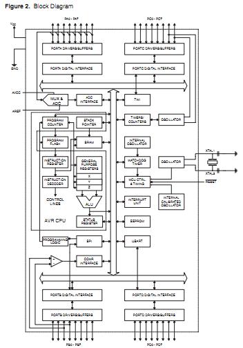
The ATMEGA8535L-8AU is a low-power CMOS 8-bit microcontroller based on the AVR enhanced RISC architecture. By executing instructions in a single clock cycle, the ATMEGA8535L-8AU achieves throughputs approaching 1 MIPS per MHz allowing the system designer to optimize power consumption versus processing speed.
Parametrics
ATMEGA8535L-8AU absolute maximum ratings: (1)Operating Temperature: -55 to +125℃; (2)Storage Temperature: -65 to +150℃; (3)Voltage on any Pin except RESET with respect to Ground: -0.5V to VCC+0.5V; (4)Voltage on RESET with respect to Ground: -0.5V to +13.0V; (5)Maximum Operating Voltage: 6.0V; (6)DC Current per I/O Pin: 40.0mA; (7)DC Current VCC and GND Pins: 200.0mA.
Features
ATMEGA8535L-8AU features: (1)High-performance, Low-power AVR 8-bit Microcontroller; (2)Advanced RISC Architecture: 130 Powerful Instructions; Most Single Clock Cycle Execution; 32 x 8 General Purpose Working Registers; Fully Static Operation; Up to 16 MIPS Throughput at 16 MHz; On-chip 2-cycle Multiplier; (3)Nonvolatile Program and Data Memories: 8K Bytes of In-System Self-Programmable Flash Endurance: 10,000 Write/Erase Cycles; Optional Boot Code Section with Independent Lock Bits In-System Programming by On-chip Boot Program True Read-While-Write Operation; 512 Bytes EEPROM; (4)Endurance: 100,000 Write/Erase Cycles; 512 Bytes Internal SRAM; Programming Lock for Software Security; (5)Two 8-bit Timer/Counters with Separate Prescalers and Compare Modes; (6)One 16-bit Timer/Counter with Separate Prescaler, Compare Mode, and Capture Mode; (7)Real Time Counter with Separate Oscillator; (8)Four PWM Channels; (9)8-channel, 10-bit ADC: 8 Single-ended Channels; 7 Differential Channels for TQFP Package Only; 2 Differential Channels with Programmable Gain at 1x, 10x, or 200x for TQFP ; (10)Package Only: Byte-oriented Two-wire Serial Interface; Programmable Serial USART; Master/Slave SPI Serial Interface; Programmable Watchdog Timer with Separate On-chip Oscillator; On-chip Analog Comparator; (11)Power-on Reset and Programmable Brown-out Detection; (12)Internal Calibrated RC Oscillator; (13)External and Internal Interrupt Sources; (14)Six Sleep Modes: Idle, ADC Noise Reduction, Power-save, Power-down, Standby and Extended Standby; (15)I/O and Packages: 32 Programmable I/O Lines; 40-pin PDIP, 44-lead TQFP, 44-lead PLCC, and 44-pad QFN/MLF; (16)Operating Voltages: 2.7 - 5.5V; (17)Speed Grades: 0 - 8 MHz.
Diagrams

| Image | Part No | Mfg | Description | ![]() |
Pricing (USD) |
Quantity | ||||||||||||
|---|---|---|---|---|---|---|---|---|---|---|---|---|---|---|---|---|---|---|
![]() |
![]() ATmega8535L-8AU |
![]() Atmel |
![]() 8-bit Microcontrollers (MCU) 8kB Flash 0.5kB EEPROM 32 I/O 16MHz |
![]() Data Sheet |
![]()
|
|
||||||||||||
![]() |
![]() ATMEGA8535L-8AUR |
![]() Atmel |
![]() 8-bit Microcontrollers (MCU) AVR 8K FLSH 512B EE 3V-8MHz IND TEMP |
![]() Data Sheet |
![]()
|
|
||||||||||||
(China (Mainland))










