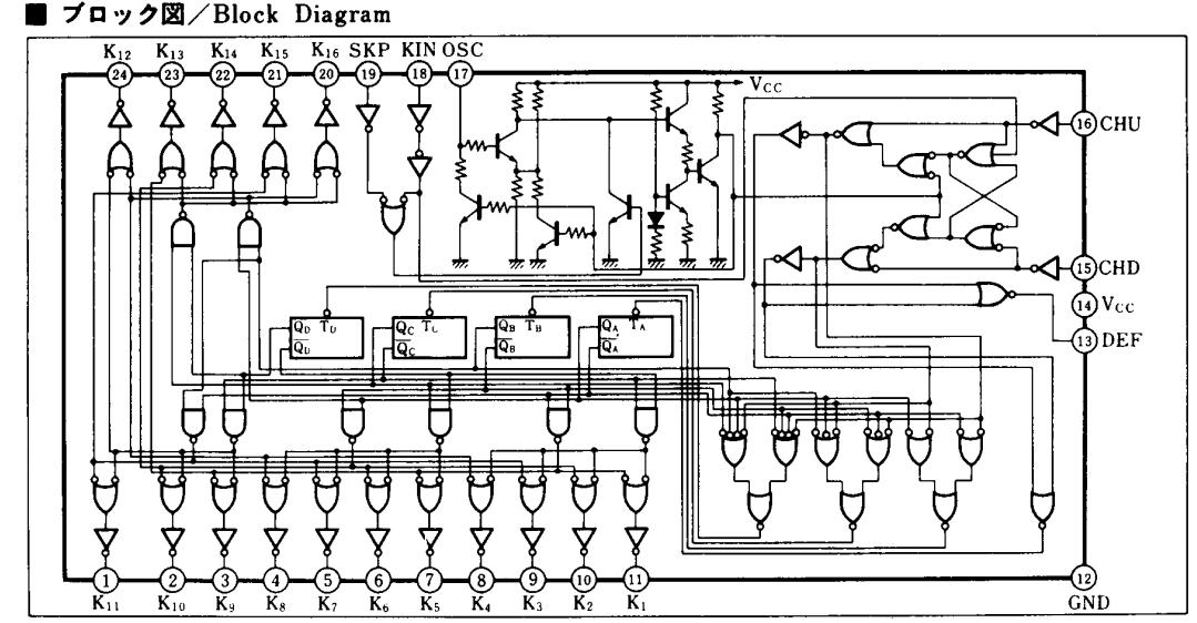
Product Summary
The AN5010 is a TV electronic channel selection circuit.
Parametrics
AN5010 absolute maximum ratings: (1)VCC: 7.2V; (2)VK-12: -0.5 to 50V; (3)V13-12: -0.5 to 14.4V; (4)V14-12: -0.5 to 8V; (5)V17-12: -0.5 to 8V; (6)I13: -5 to 25mA; (7)I14: -5 to 100mA; (8)I15: -5 to 10mA; (9)I16: -5 to 10mA; (10)I17: -5 to 10mA; (11)I17: -5 to 10mA; (12)I18: -5 to 10mA; (13)I18: -5 to 10mA; (14)I19: -5 to 10mA; (15)PD: 600mW; (16)Topr: -20 to 75℃; (17)Tstg: -40 to 150℃.
Features
AN5010 features: (1)simplifies selection circuit up to 16 channels; (2)incorporating clock oscillator, input control, up-down counter and decoder circuit; (3)remote control electronic channel selection available; (4)clock oscillation frequency variable by external components: 0.7-2.5kHz; (5)AFC defect pulse output terminal; (6)initial channel at the time of power ON can be set at any channel by the adjustment of external components; (7)jump over channel selection available; (8)selection output terminal voltage: 40V.
Diagrams

![]() |
![]() AN501 |
![]() |
![]() LED INFRARED |
![]() Data Sheet |
![]()
|
|
||||||
![]() |
![]() AN504 |
![]() |
![]() LED INFRARED |
![]() Data Sheet |
![]()
|
|
||||||
![]() |
![]() AN5071 |
![]() Other |
![]() |
![]() Data Sheet |
![]() Negotiable |
|
||||||
![]() |
![]() AN5095K |
![]() Other |
![]() |
![]() Data Sheet |
![]() Negotiable |
|
||||||
![]() |
![]() AN5001 |
![]() Other |
![]() |
![]() Data Sheet |
![]() Negotiable |
|
||||||
(China (Mainland))








