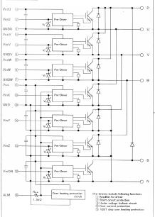
Product Summary
The 7mbp75re120 is an IGBT module.
Parametrics
7mbp75re120 absolute maximum ratings: (1)DC bus voltage: 900V; (2)DC bus voltage (surge): 1000V; (3)DC bus voltage (short operating): 800V; (4)Collector-Emitter voltage: 1200V; (5)Supply voltage of Pre-Driver: 0~20V; (6)Input signal voltage: 0~VzV; (7)Input signal current: 1mA; (8)Alarm signal voltage: VccV; (9)Alarm signal current: 15mA; (10)Junction temperature: 150℃; (11)Operating case temperature: -20~+100℃; (12)Storage temperature: -40~+125℃; (13)Isolating voltage: 2500V.
Diagrams

(China (Mainland))






