Product Summary
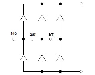
The 7MBR35SB-120 is an IGBT Module. Applications of the 7MBR35SB-120 are inverter for motor drive, AC and DC servo drive amplifier, uninterruptible power supply.
Parametrics
7MBR35SB-120 absolute maximum ratings: (1)Collector-Emitter voltage VCES: 1200V; (2)Gate-Emitter voltaga VGES: 20V; (3)Collector current Continuous Tc=25℃ IC: 50A; (4)Max. power dissipation PC: 240W; (5)Operating temperature Tj: 150℃; (6)Storage temperature Tstg: -40 to +125℃; (7)Isolation voltage Vis: AC 2500 V.
Features
7MBR35SB-120 features: (1)Low VCE(sat); (2)Compact package; (3)P.C. board mount; (4)Converter diode bridge, Dynamic brake circuit.
Diagrams

![]() |
![]() 7MBR 10SA-120 |
![]() Other |
![]() |
![]() Data Sheet |
![]() Negotiable |
|
||||
![]() |
![]() 7MBR100SB060 |
![]() Other |
![]() |
![]() Data Sheet |
![]() Negotiable |
|
||||
![]() |
![]() 7MBR100SD060 |
![]() Other |
![]() |
![]() Data Sheet |
![]() Negotiable |
|
||||
![]() |
![]() 7MBR100U4B120 |
![]() Other |
![]() |
![]() Data Sheet |
![]() Negotiable |
|
||||
![]() |
![]() 7MBR10NE120 |
![]() Other |
![]() |
![]() Data Sheet |
![]() Negotiable |
|
||||
![]() |
![]() 7MBR10SA120 |
![]() Other |
![]() |
![]() Data Sheet |
![]() Negotiable |
|
||||
(China (Mainland))








