Product Summary
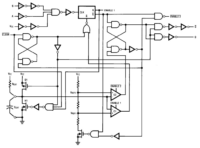
The 74HC423A is a high speed monostable multivibrator (one shot). The 74HC423A utilizes advanced silicon-gate CMOS technology. The 74HC423A features speeds comparable to low power Schottky TTL circuitry while retaining the low power and high noise immunity characteristic of CMOS circuits. Each multivibrator features both a negative, A, and a positive, B, transition triggered input, either of which can be used as an inhibit input. Also included is a clear input that when taken LOW resets the one shot. The 74HC423A cannot be triggered from clear.
Parametrics
74HC423A absolute maximum ratings: (1)Supply Voltage (VCC): 0.5V to +7.0V; (2)DC Input Voltage (VIN): 1.5V to VCC +1.5V; (3)DC Output Voltage (VOUT): 0.5V to VCC +0.5V; (4)Clamp Diode Current (IIK, IOK): ±20 mA; (5)DC Output Current, per pin (IOUT): ±25 mA; (6)DC VCC or GND Current, per pin (ICC): ±50 mA; (7)Storage Temperature Range (TSTG): 65℃ to +150℃; (8)Power Dissipation (PD): 600 mW; (9)S.O. Package only: 500 mW; (10)Lead Temperature (TL)(Soldering 10 seconds): 260℃.
Features
74HC423A features: (1)Typical propagation delay: 40 ns; (2)Wide power supply range: 2V–6V; (3)Low quiescent current: 80 μA maximum (74HC Series); (4)Low input current: 1 μA maximum; (5)Fanout of 10 LS-TTL loads; (6)Simple pulse width formula T = RC; (7)Wide pulse range: 400 ns to ∞ (typ); (8)Part to part variation: ±5% (typ); (9)Schmitt Trigger A & B inputs allow rise and fall times to be as slow as one second.
Diagrams

![]() |
![]() 74HC |
![]() Other |
![]() |
![]() Data Sheet |
![]() Negotiable |
|
||||
![]() |
![]() 74HC/HCT02 |
![]() Other |
![]() |
![]() Data Sheet |
![]() Negotiable |
|
||||
![]() |
![]() 74HC/HCT03 |
![]() Other |
![]() |
![]() Data Sheet |
![]() Negotiable |
|
||||
![]() |
![]() 74HC/HCT10 |
![]() Other |
![]() |
![]() Data Sheet |
![]() Negotiable |
|
||||
![]() |
![]() 74HC/HCT107 |
![]() Other |
![]() |
![]() Data Sheet |
![]() Negotiable |
|
||||
![]() |
![]() 74HC/HCT109 |
![]() Other |
![]() |
![]() Data Sheet |
![]() Negotiable |
|
||||
(China (Mainland))








