Product Summary
The 6RI100G-160 is a power diode module. Applications of the 6RI100G-160 are inverters for AC motors, power supply units for DC motors, DC power supply units for battery chargers, general purpose DC power supply units.
Parametrics
6RI100G-160 absolute maximum ratings: (1)Repetitive peak reverse voltage Vrrm: 1600 V; (2)Non-repetitive peak reverse voltage VrsM: 1760 V; (3)Average output current 50/60 Hz Sinewave,Tc = 97℃: 100 A; (4)Surge current Ifsm Rated load conditions: 1200 A; (5)l2t l2t Rated load conditions: 6000 A2s; (6)Junction temperature T]: -40- + 150 ℃; (7)Storage temperatureTstg: -40- + 125 ℃.
Features
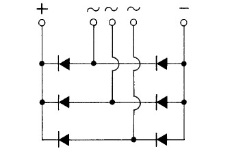
6RI100G-160 features: (1)All the terminals and the mounting plate are electrically isolated. These modules can be installed in the same cooling fin as other modules, thus saving installation space -a cost-effective feature.; (2)The diode chips are coated with a glass of zinc oxide, making them highly resistant to temperature and humidity variation.; (3)6 diode chips are connected to the 3-phase bridge rectifying circuit inside the module-a cost-effective feature.
Diagrams

![]() |
![]() 6RI100E |
![]() Other |
![]() |
![]() Data Sheet |
![]() Negotiable |
|
||||
![]() |
![]() 6RI100G(100A) |
![]() Other |
![]() |
![]() Data Sheet |
![]() Negotiable |
|
||||
(China (Mainland))








