Product Summary
The 29PL160BD-75PFTN is a 16M-bit, 3.0V-only Flash memory organized as 2M bytes of 8 bits each or 1M words of 16 bits each. The MBM29PL160TD/BD is offered in a 48-pin TSOP (I), and 44-pin SOP packages. The device is designed to be programmed in-system with the standard system 3.0V VCC supply. 12.0V VPP and 5.0V VCC are not required for write or erase operations. The device can also be reprogrammed in standard EPROM programmers.
Parametrics
29PL160BD-75PFTN absolute maximum ratings: (1)Storage Temperature: -55℃ to +125℃; (2)Ambient Temperature with Power Applied: -40℃ to +85℃; (3)Voltage with Respect to Ground All pins except A9, OE, RESET: -0.5V to 5.5V; (4)Power Supply Voltage VCC: -0.5V to 5.5V; (5)A9, OE, and RESET: -0.5V to 13.0V.
Features
29PL160BD-75PFTN features: (1)Single 3.0 V read, program and erase; (2)Compatible with JEDEC-standard commands; (3)Compatible with MASK ROM pinouts; (4)Minimum 100,000 program/erase cycles; (5)Boot Code Sector Architecture; (6)Automatic sleep mode; (7)Low VCC write inhibit ≤2.5V.
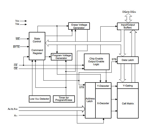
Diagrams

(China (Mainland))






